Toro 74405 (18-52ZX) - 18-52ZX TimeCutter ZX Riding Mower, 2003 (230000001-230999999) COOLING EQUIPMENT ASSEMBLY KAWASAKI FH531V-AS11 Ersatzteile
COOLING EQUIPMENT ASSEMBLY KAWASAKI FH531V-AS11 74405 (18-52ZX) - Toro 18-52ZX TimeCutter ZX Riding Mower, 2003 (230000001-230999999)

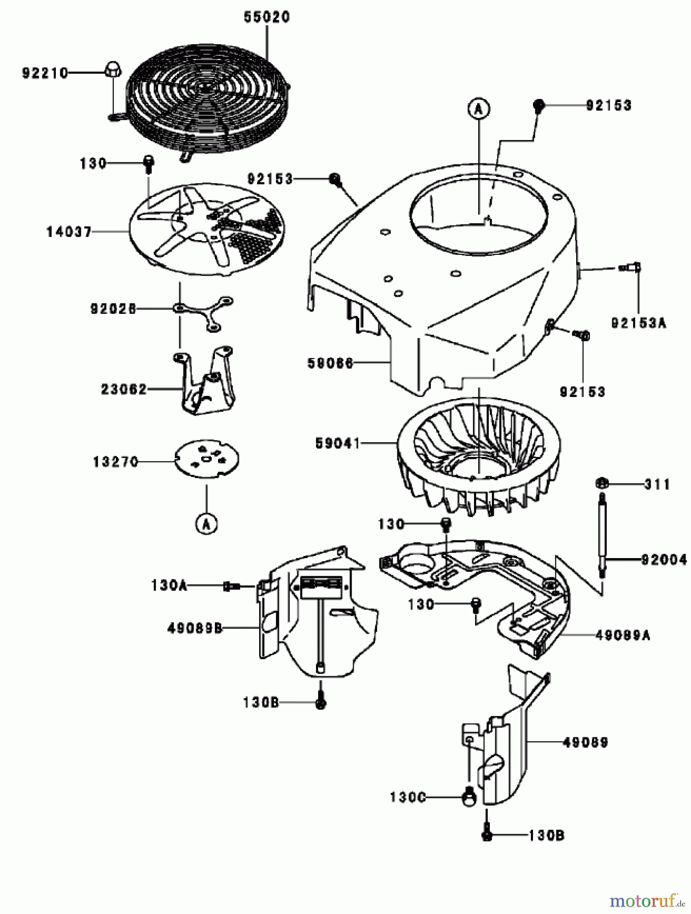
Hier finden Sie die Ersatzteilzeichnung für Toro Neu Mowers, Zero-Turn 74405 (18-52ZX) - Toro 18-52ZX TimeCutter ZX Riding Mower, 2003 (230000001-230999999) COOLING EQUIPMENT ASSEMBLY KAWASAKI FH531V-AS11. Wählen Sie das benötigte Ersatzteil aus der Ersatzteilliste Ihres Toro Gerätes aus und bestellen Sie einfach online. Viele Toro Ersatzteile halten wir ständig in unserem Lager für Sie bereit.
| BildNr | Artikel Nummer | Bezeichnung | |
| 13270 | KA132707007 | PLATE | |
| 14037 | KA1403770109H | SCREEN | |
| 23062 | KA230627010 | BRACKET-COMP | |
| 49089 | KA490897002 | SHROUD-ENGINE | |
| 49089A | KA490897032 | SHROUD-ENGINE | |
| 49089B | KA490897034 | SHROUD-ENGINE | |
| 55020 | KA550207004 | GUARD | |
| 59041 | KA590410007 | FAN | |
| 59066 | KA590667002 | HOUSING-FAN | |
| 92004 | KA920047025 | STUD,6X137.5 | |
| 92026 | KA920267007 | SPACER | |
| 92153 | KA921537007 | SCHRAUBE | |
| 92153A | KA921537008 | BOLT | |
| 92210 | KA922100003 | MUTTER | |
| 130 | KA241AA0612 | SCREW-PAN-WP+- | |
| 130A | KA130AA0616 | BOLT-FLANGED,6X16 | |
| 130B | KA130AA0625 | BOLT-FLANGED | |
| 130C | KA130AA0816 | BOLT-FLANGED | |
| 311 | KA311AA0600 | NUT-HEX | |



