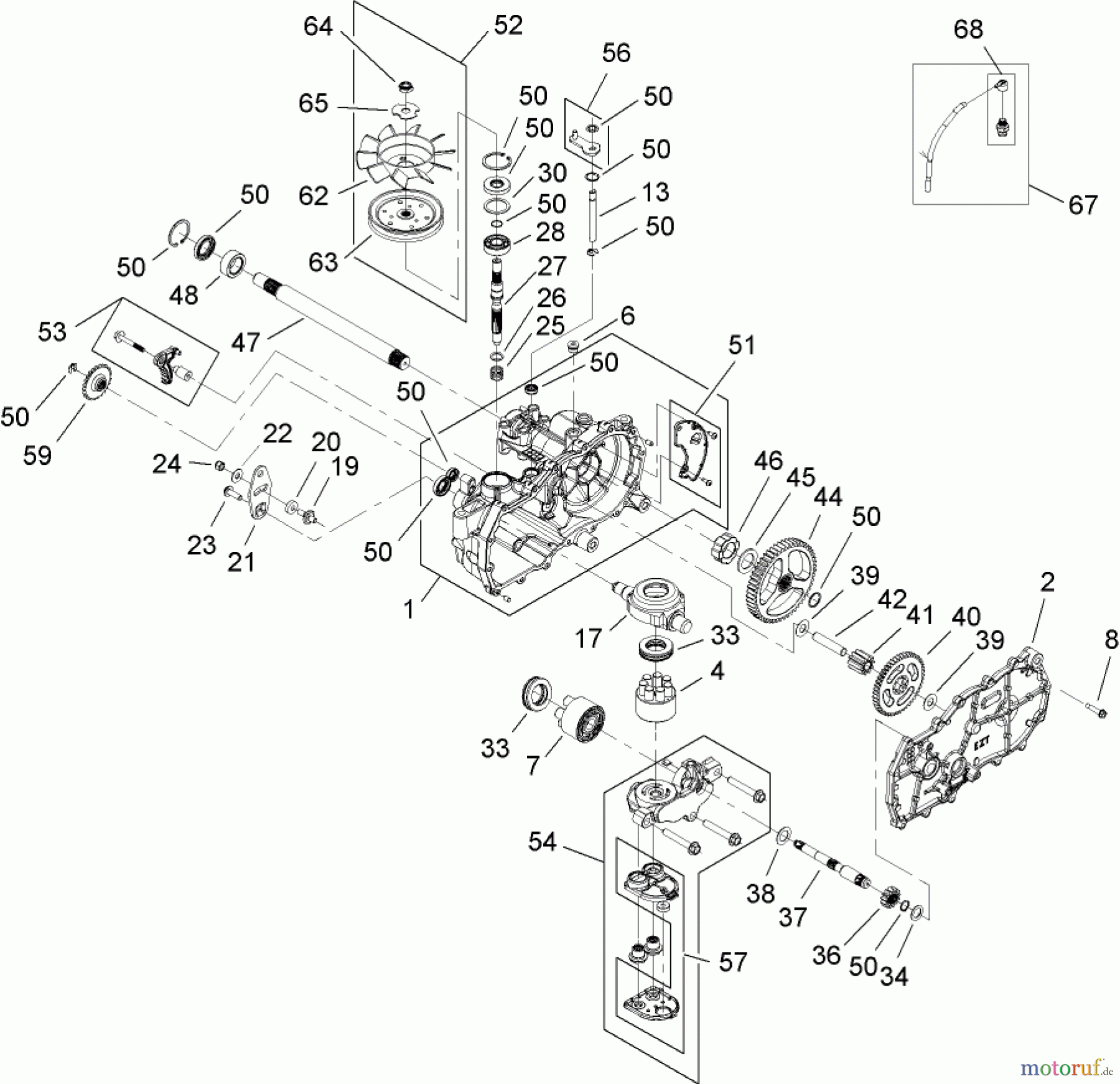
Toro 74399 (Z5020) - TimeCutter Z5020 Riding Mower, 2008 (280000001-280999999) RH HYDRO ASSEMBLY NO. 110-6771 Ersatzteile
RH HYDRO ASSEMBLY NO. 110-6771 74399 (Z5020) - Toro TimeCutter Z5020 Riding Mower, 2008 (280000001-280999999)

Hier finden Sie die Ersatzteilzeichnung für Toro Neu Mowers, Zero-Turn 74399 (Z5020) - Toro TimeCutter Z5020 Riding Mower, 2008 (280000001-280999999) RH HYDRO ASSEMBLY NO. 110-6771. Wählen Sie das benötigte Ersatzteil aus der Ersatzteilliste Ihres Toro Gerätes aus und bestellen Sie einfach online. Viele Toro Ersatzteile halten wir ständig in unserem Lager für Sie bereit.


Qualitätsmanagement
Informieren Sie uns, wenn Sie einen Fehler gefunden haben.

