Einstellungen Computer

Toro 74101 (620-Z) - 620-Z Tractor, 1995 (590001-599999) ELECTRIC SCHEMATIC Ersatzteile

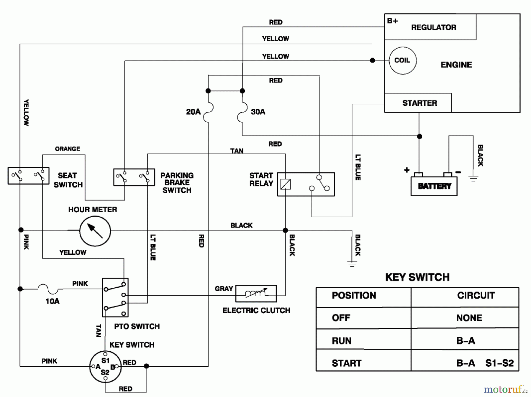
ELECTRIC SCHEMATIC 74101 (620-Z) - Toro 620-Z Tractor, 1995 (590001-599999)

 Toro Neu Mowers, Zero-Turn 74101 (620-Z) - Toro 620-Z Tractor, 1995 (590001-599999) ELECTRIC SCHEMATIC

Hier finden Sie die Ersatzteilzeichnung für Toro Neu Mowers, Zero-Turn 74101 (620-Z) - Toro 620-Z Tractor, 1995 (590001-599999) ELECTRIC SCHEMATIC. Wählen Sie das benötigte Ersatzteil aus der Ersatzteilliste Ihres Toro Gerätes aus und bestellen Sie einfach online. Viele Toro Ersatzteile halten wir ständig in unserem Lager für Sie bereit.

BildNrArtikel NummerBezeichnung
1 TR78-5840DISCONTINUED
Rasen
Bankeinzug, MasterCard, Visa, American Express, PayPal, Nachnahme, Vorauskasse, Sofortüberweisung
Datenschutzerklärung Impressum
Qualitätsmanagement
Informieren Sie uns, wenn Sie einen Fehler gefunden haben.