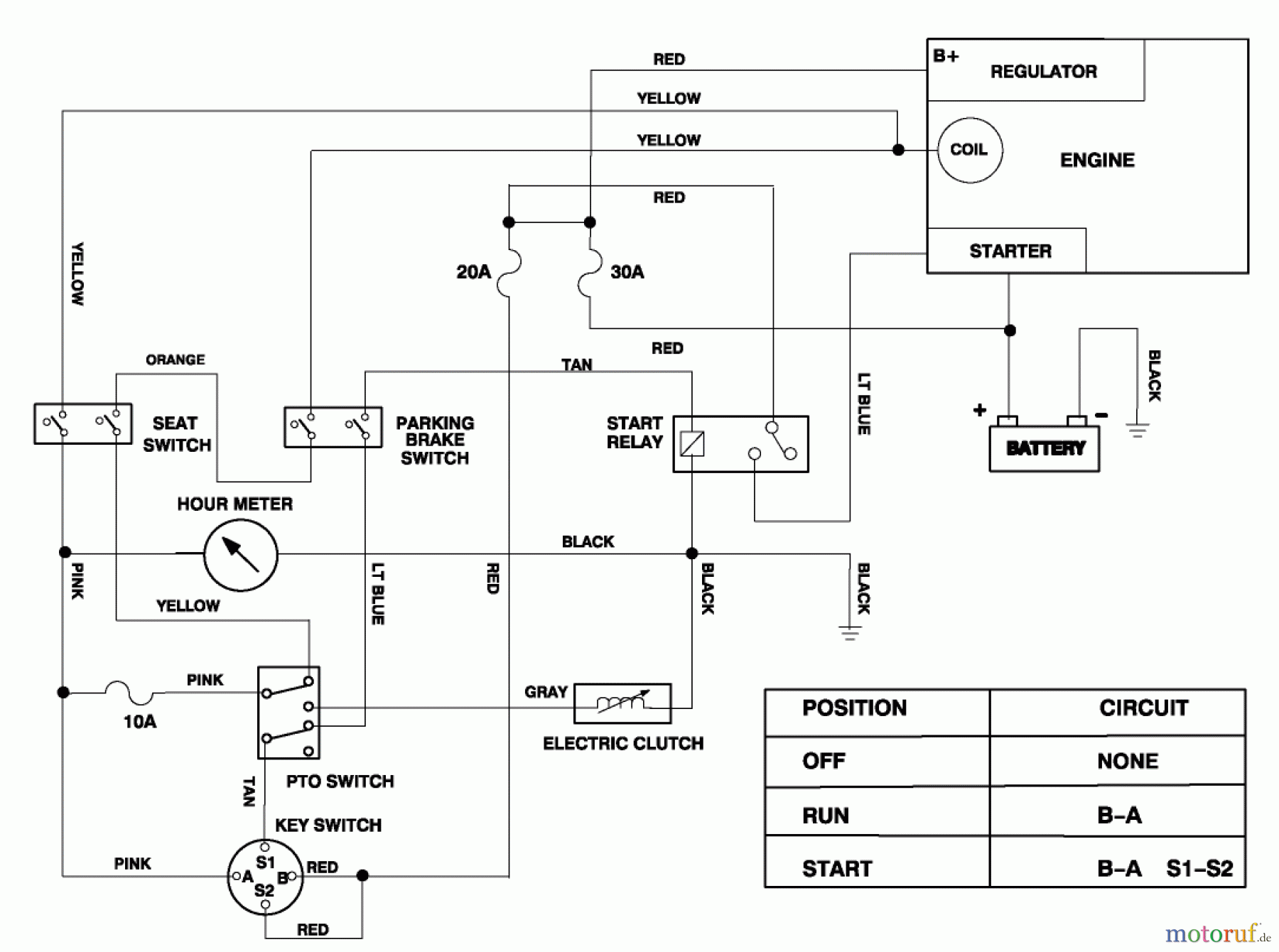
Toro 74101 (620-Z) - 620-Z Tractor, 1994 (490001-499999) ELECTRIC SCHEMATIC Ersatzteile
ELECTRIC SCHEMATIC 74101 (620-Z) - Toro 620-Z Tractor, 1994 (490001-499999)

Hier finden Sie die Ersatzteilzeichnung für Toro Neu Mowers, Zero-Turn 74101 (620-Z) - Toro 620-Z Tractor, 1994 (490001-499999) ELECTRIC SCHEMATIC. Wählen Sie das benötigte Ersatzteil aus der Ersatzteilliste Ihres Toro Gerätes aus und bestellen Sie einfach online. Viele Toro Ersatzteile halten wir ständig in unserem Lager für Sie bereit.
| BildNr | Artikel Nummer | Bezeichnung | |
| 1 | TR78-5840 | DISCONTINUED | |



