Toro 74021 (616-Z) - 616-Z Tractor, 1993 (39000001-39999999) OIL FILTER ASSEMBLY Ersatzteile
OIL FILTER ASSEMBLY 74021 (616-Z) - Toro 616-Z Tractor, 1993 (39000001-39999999)

Hier finden Sie die Ersatzteilzeichnung für Toro Neu Mowers, Zero-Turn 74021 (616-Z) - Toro 616-Z Tractor, 1993 (39000001-39999999) OIL FILTER ASSEMBLY. Wählen Sie das benötigte Ersatzteil aus der Ersatzteilliste Ihres Toro Gerätes aus und bestellen Sie einfach online. Viele Toro Ersatzteile halten wir ständig in unserem Lager für Sie bereit.
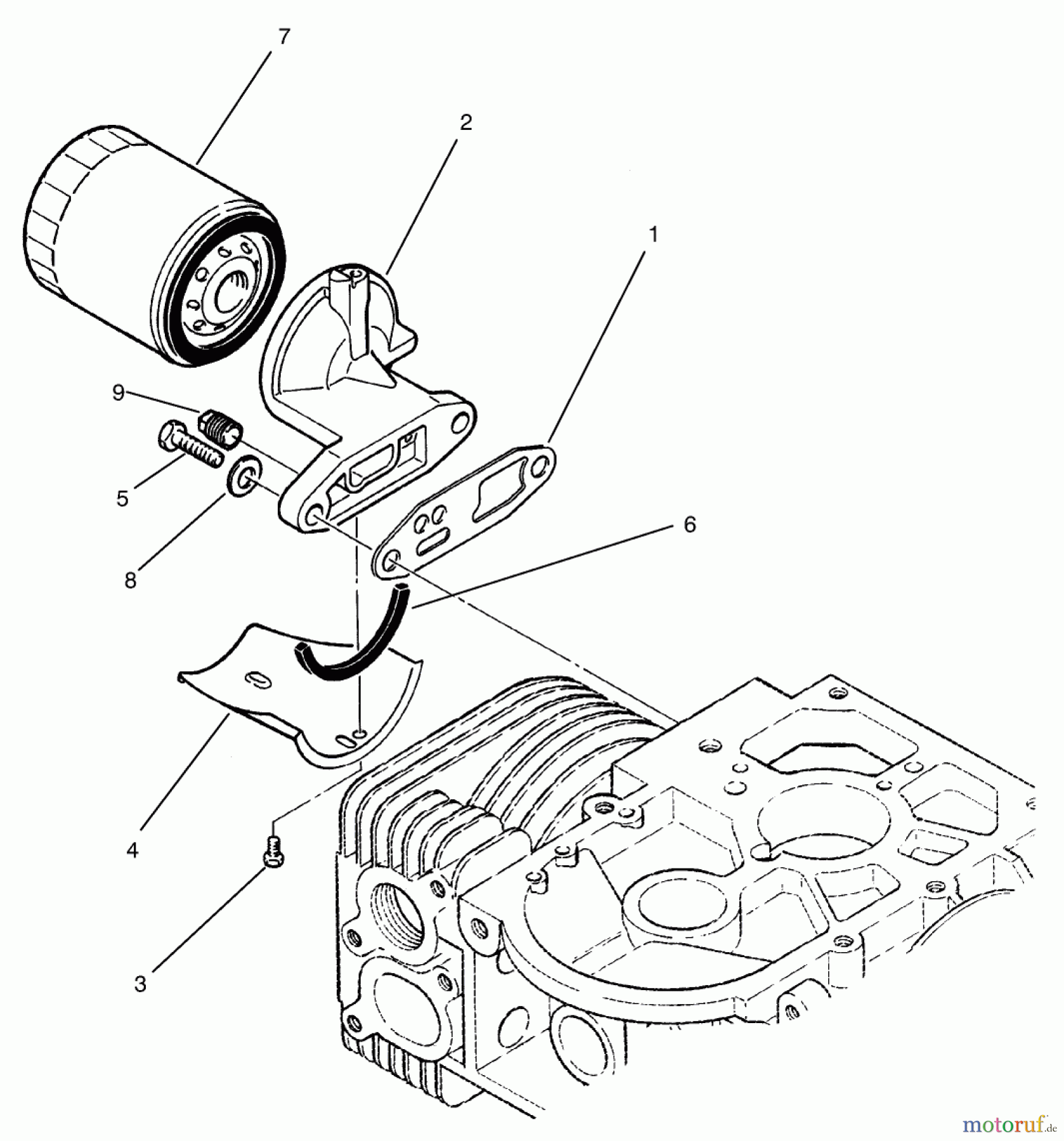
| BildNr | Artikel Nummer | Bezeichnung | |
| 1 | TR82-0520 | GASKET-OIL FILTER ADAPT | |
| 2 | TR82-0500 | ADAPTER | |
| 3 | TR82-1510 | SCHRAUBE | |
| 4 | TRNN10487 | DISCONTINUED | |
| 5 | TRNN10373 | DISCONTINUED | |
| 6 | TRNN10488 | DISCONTINUED | |
| 7 | TRNN10143 | Motorenoelfiter | |
| 8 | TR57-9750 | SCHEIBE | |
| 9 | TR700412 | DISCONTINUED | |


Qualitätsmanagement
Informieren Sie uns, wenn Sie einen Fehler gefunden haben.

