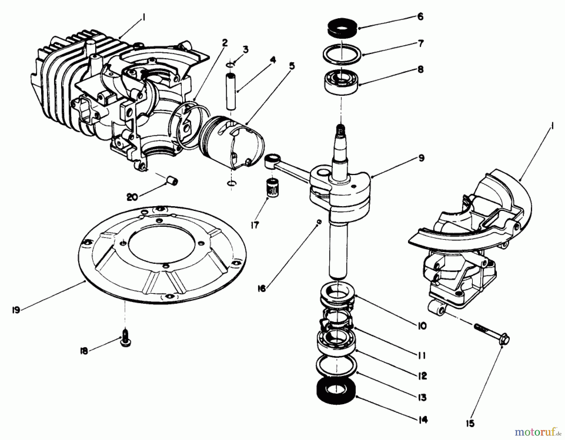
Toro 26683 - Lawnmower, 1990 (0000001-0999999) CRANKSHAFT ASSEMBLY (ENGINE NO. 47PK9-2) Ersatzteile
CRANKSHAFT ASSEMBLY (ENGINE NO. 47PK9-2) 26683 - Toro Lawnmower, 1990 (0000001-0999999)

Hier finden Sie die Ersatzteilzeichnung für Toro Neu Mowers, Walk-Behind Seite 2 26683 - Toro Lawnmower, 1990 (0000001-0999999) CRANKSHAFT ASSEMBLY (ENGINE NO. 47PK9-2). Wählen Sie das benötigte Ersatzteil aus der Ersatzteilliste Ihres Toro Gerätes aus und bestellen Sie einfach online. Viele Toro Ersatzteile halten wir ständig in unserem Lager für Sie bereit.



