Einkaufswagen
Mein Konto

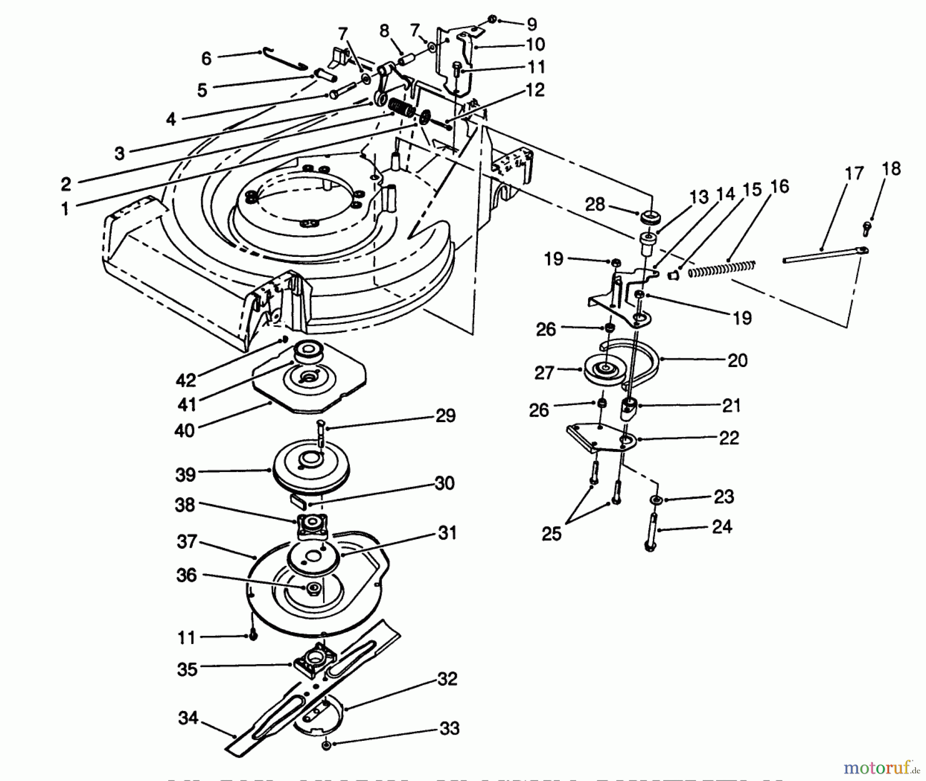
Toro 26642 - Lawnmower, 1989 (9000001-9999999) BLADE BRAKE CLUTCH ASSEMBLY Ersatzteile

BLADE BRAKE CLUTCH ASSEMBLY 26642 - Toro Lawnmower, 1989 (9000001-9999999)

 Toro Neu Mowers, Walk-Behind Seite 2 26642 - Toro Lawnmower, 1989 (9000001-9999999) BLADE BRAKE CLUTCH ASSEMBLY

Hier finden Sie die Ersatzteilzeichnung für Toro Neu Mowers, Walk-Behind Seite 2 26642 - Toro Lawnmower, 1989 (9000001-9999999) BLADE BRAKE CLUTCH ASSEMBLY. Wählen Sie das benötigte Ersatzteil aus der Ersatzteilliste Ihres Toro Gerätes aus und bestellen Sie einfach online. Viele Toro Ersatzteile halten wir ständig in unserem Lager für Sie bereit.

Rasen
Bankeinzug, MasterCard, Visa, American Express, PayPal, Nachnahme, Vorauskasse, Sofortüberweisung