Einstellungen Computer

Toro 26640B - Lawnmower, 1993 (3900001-3999999) HOUSING ASSEMBLY Ersatzteile

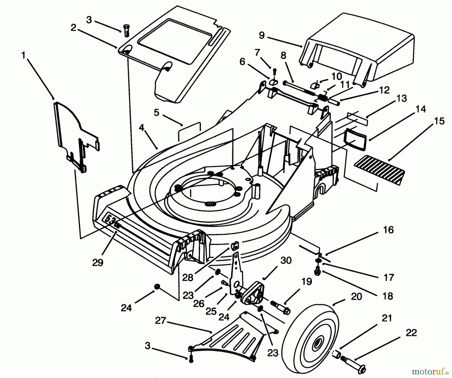
HOUSING ASSEMBLY 26640B - Toro Lawnmower, 1993 (3900001-3999999)

 Toro Neu Mowers, Walk-Behind Seite 2 26640B - Toro Lawnmower, 1993 (3900001-3999999) HOUSING ASSEMBLY

Hier finden Sie die Ersatzteilzeichnung für Toro Neu Mowers, Walk-Behind Seite 2 26640B - Toro Lawnmower, 1993 (3900001-3999999) HOUSING ASSEMBLY. Wählen Sie das benötigte Ersatzteil aus der Ersatzteilliste Ihres Toro Gerätes aus und bestellen Sie einfach online. Viele Toro Ersatzteile halten wir ständig in unserem Lager für Sie bereit.

Rasen
Bankeinzug, MasterCard, Visa, American Express, PayPal, Nachnahme, Vorauskasse, Sofortüberweisung
Datenschutzerklärung Impressum