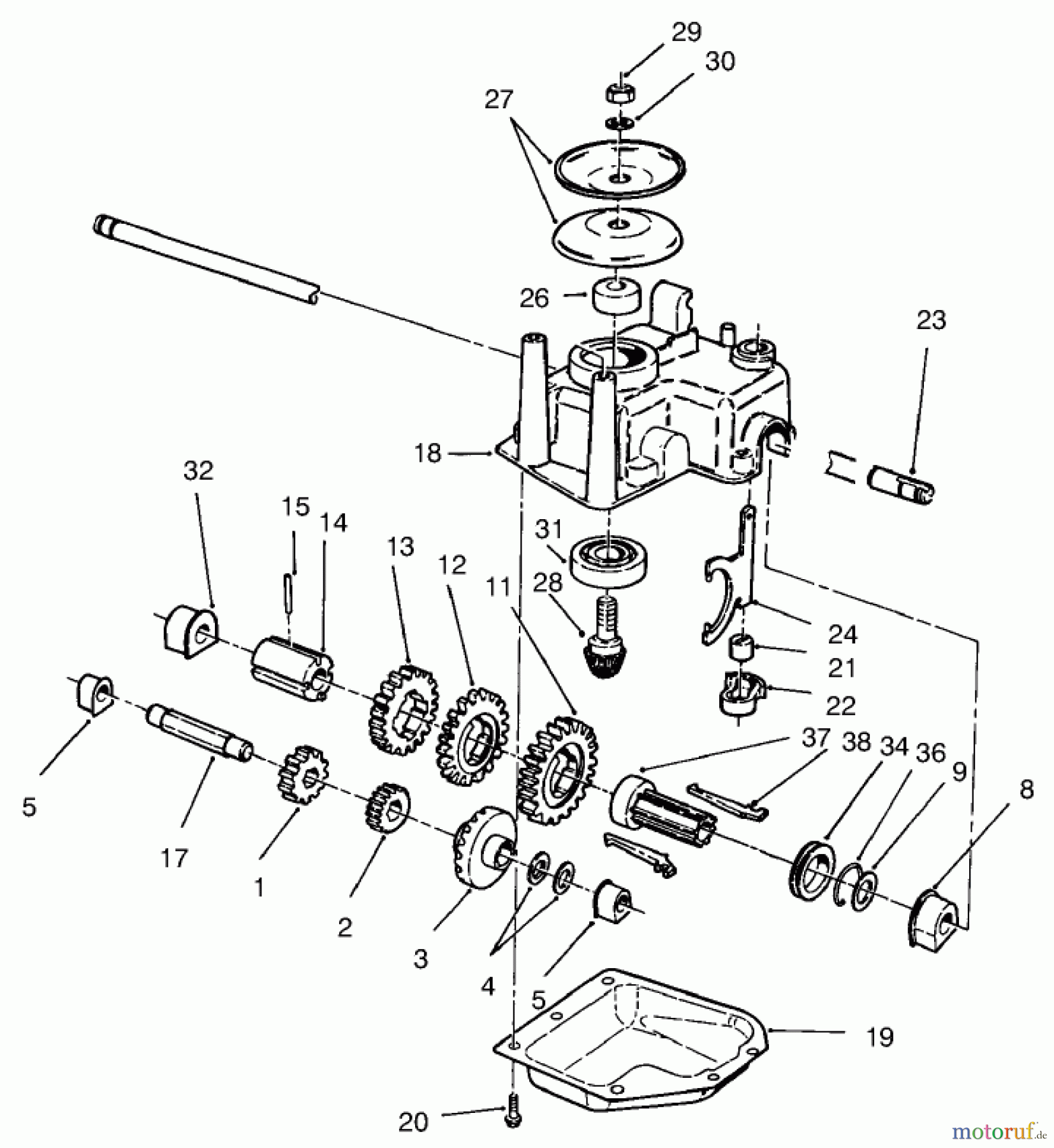
Toro 26637 - Lawnmower, 1999 (9900001-9999999) GEAR CASE ASSEMBLY NO. 62-6673 Ersatzteile
GEAR CASE ASSEMBLY NO. 62-6673 26637 - Toro Lawnmower, 1999 (9900001-9999999)

Hier finden Sie die Ersatzteilzeichnung für Toro Neu Mowers, Walk-Behind Seite 2 26637 - Toro Lawnmower, 1999 (9900001-9999999) GEAR CASE ASSEMBLY NO. 62-6673. Wählen Sie das benötigte Ersatzteil aus der Ersatzteilliste Ihres Toro Gerätes aus und bestellen Sie einfach online. Viele Toro Ersatzteile halten wir ständig in unserem Lager für Sie bereit.











