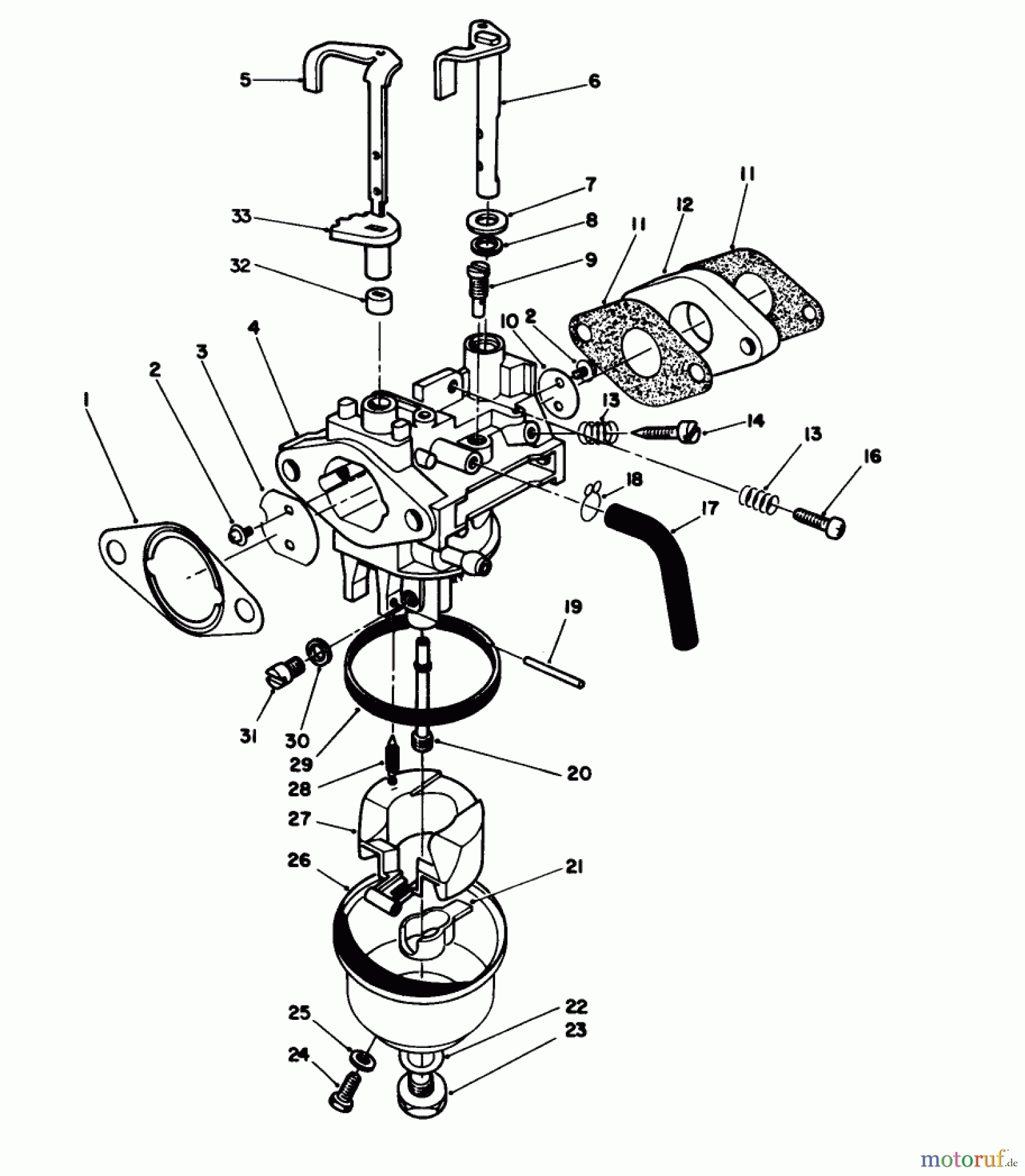
Toro 26620B - Lawnmower, 1993 (3900001-3999999) CARBURETOR ASSEMBLY (ENGINE NO. VMM1-2) Ersatzteile
CARBURETOR ASSEMBLY (ENGINE NO. VMM1-2) 26620B - Toro Lawnmower, 1993 (3900001-3999999)

Hier finden Sie die Ersatzteilzeichnung für Toro Neu Mowers, Walk-Behind Seite 2 26620B - Toro Lawnmower, 1993 (3900001-3999999) CARBURETOR ASSEMBLY (ENGINE NO. VMM1-2). Wählen Sie das benötigte Ersatzteil aus der Ersatzteilliste Ihres Toro Gerätes aus und bestellen Sie einfach online. Viele Toro Ersatzteile halten wir ständig in unserem Lager für Sie bereit.




