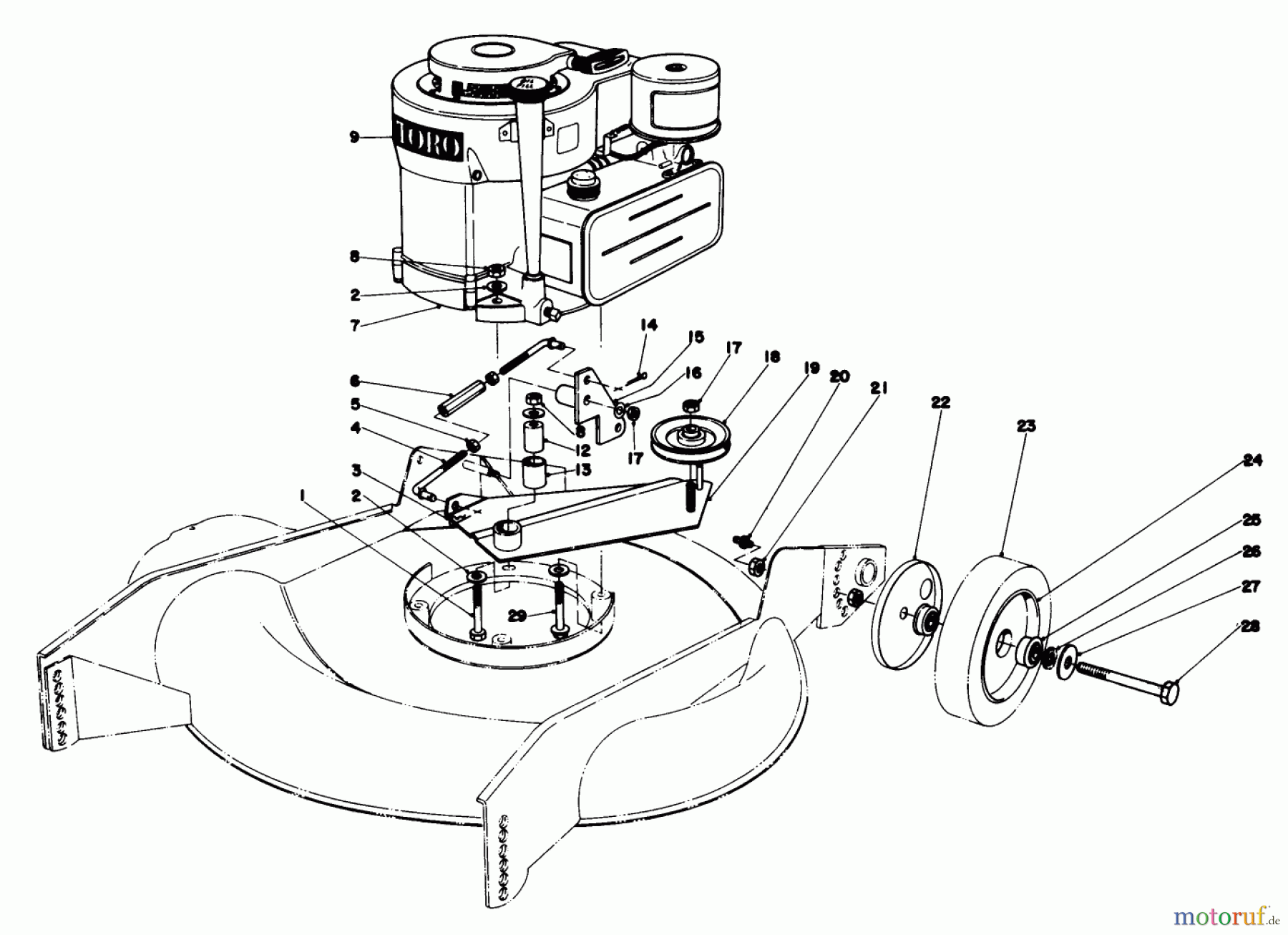
Toro 23158 - 21" Whirlwind Hevi-Duty Lawnmower, 1979 (9000001-9999999) ENGINE ASSEMBLY Ersatzteile
ENGINE ASSEMBLY 23158 - Toro 21" Whirlwind Hevi-Duty Lawnmower, 1979 (9000001-9999999)

Hier finden Sie die Ersatzteilzeichnung für Toro Neu Mowers, Walk-Behind Seite 2 23158 - Toro 21" Whirlwind Hevi-Duty Lawnmower, 1979 (9000001-9999999) ENGINE ASSEMBLY. Wählen Sie das benötigte Ersatzteil aus der Ersatzteilliste Ihres Toro Gerätes aus und bestellen Sie einfach online. Viele Toro Ersatzteile halten wir ständig in unserem Lager für Sie bereit.






