Toro 23022 - Lawnmower, 1983 (3000001-3999999) ENGINE BRIGGS & STRATTON MODEL 130902-1162-01 #1 Ersatzteile
ENGINE BRIGGS & STRATTON MODEL 130902-1162-01 #1 23022 - Toro Lawnmower, 1983 (3000001-3999999)

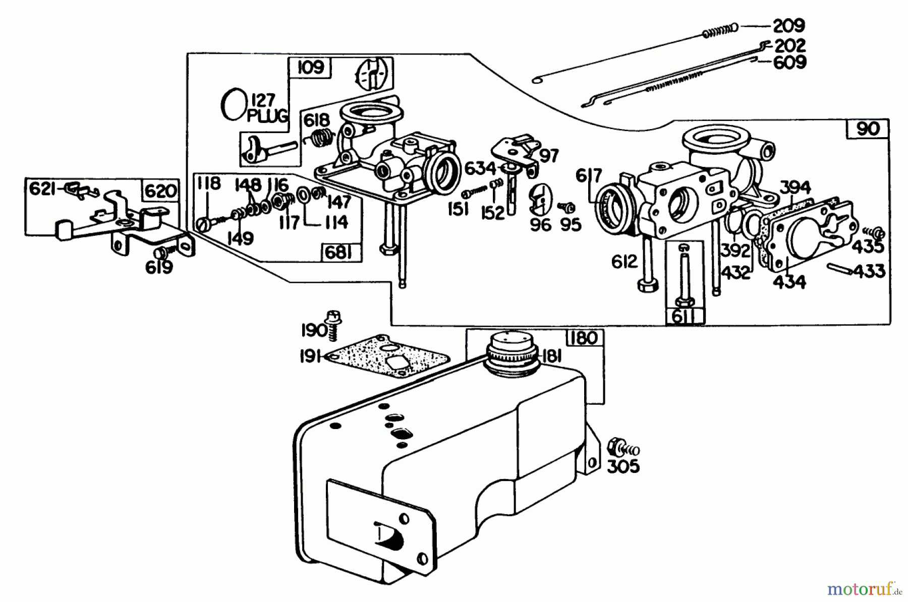
Hier finden Sie die Ersatzteilzeichnung für Toro Neu Mowers, Walk-Behind Seite 2 23022 - Toro Lawnmower, 1983 (3000001-3999999) ENGINE BRIGGS & STRATTON MODEL 130902-1162-01 #1. Wählen Sie das benötigte Ersatzteil aus der Ersatzteilliste Ihres Toro Gerätes aus und bestellen Sie einfach online. Viele Toro Ersatzteile halten wir ständig in unserem Lager für Sie bereit.
| BildNr | Artikel Nummer | Bezeichnung | |
| 90 | BS299448 | VERGASER | |
| 95 | BS691437 | SCHRAUBE 90029 | |
| 96 | BS211237 | DROSSELKLAPPE | |
| 97 | BS299692 | DROSSELKLAPPE | |
| 109 | BS390076 | DROSSELKLAPPE | |
| 114 | BS691608 | SCHEIBE | |
| 116 | BS691606 | O-RING | |
| 117 | BS690504 | MUTTER | |
| 118 | BS690266 | SCHRAUBE 23228 | |
| 127 | ![]() | BS691585 | STOPFEN |
| 147 | BS692134 | VENTILSITZ | |
| 148 | BS690257 | UNTERLEGSCHEIBE | |
| 149 | BS691592 | FEDER | |
| 151 | BS691624 | SCHRAUBE 93263 | |
| 152 | BS691783 | FEDER | |
| 180 | BS297257 | BENZINTANK | |
| 181 | BS394818 | VERWEIS-NR. 394818S | |
| 190 | BS94712 | ||
| 191 | BS270073 | TANKDICHTUNG | |
| 202 | BS260654 | GESTAENGE | |
| 209 | BS261047 | REGLERFEDER | |
| 305 | BS94786 | ||
| 392 | BS692206 | Feder f. Benzinpumpe | |
| 394 | BS270026 | MEMBRANE 27910 | |
| 432 | BS690766 | FEDERTELLER | |
| 433 | BS690296 | STIFT | |
| 434 | BS214021 | VERWEIS ZU | |
| 435 | BS691619 | SCHRAUBE 93263 | |
| 609 | BS260029 | REGLERFEDER | |
| 611 | ![]() | BS391813 | BENZINLEITUNG |
| 612 | BS497413 | VERWEIS ZU | |
| 617 | BS691031 | O-RING | |
| 618 | ![]() | BS260648 | FEDER |
| 619 | BS93380 | SCHRAUBE | |
| 620 | BS297548 | PLATTE | |
| 621 | BS297472S | AUSSCHALTER | |
| 634 | BS270167 | FILZSCHEIBE | |
| 681 | BS299060 | NADELVENTILSATZ | |


Qualitätsmanagement
Informieren Sie uns, wenn Sie einen Fehler gefunden haben.




