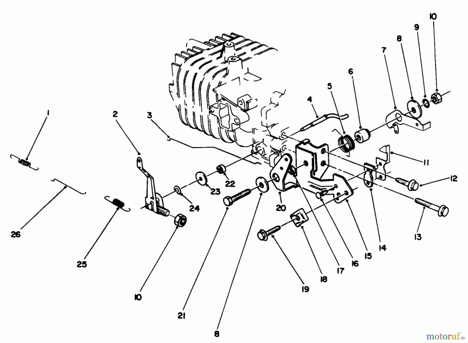
Toro 22581 - Lawnmower, 1991 (1000001-1999999) GOVERNOR ASSEMBLY (MODEL NO. 47PL0-3) Ersatzteile
GOVERNOR ASSEMBLY (MODEL NO. 47PL0-3) 22581 - Toro Lawnmower, 1991 (1000001-1999999)

Hier finden Sie die Ersatzteilzeichnung für Toro Neu Mowers, Walk-Behind Seite 2 22581 - Toro Lawnmower, 1991 (1000001-1999999) GOVERNOR ASSEMBLY (MODEL NO. 47PL0-3). Wählen Sie das benötigte Ersatzteil aus der Ersatzteilliste Ihres Toro Gerätes aus und bestellen Sie einfach online. Viele Toro Ersatzteile halten wir ständig in unserem Lager für Sie bereit.




