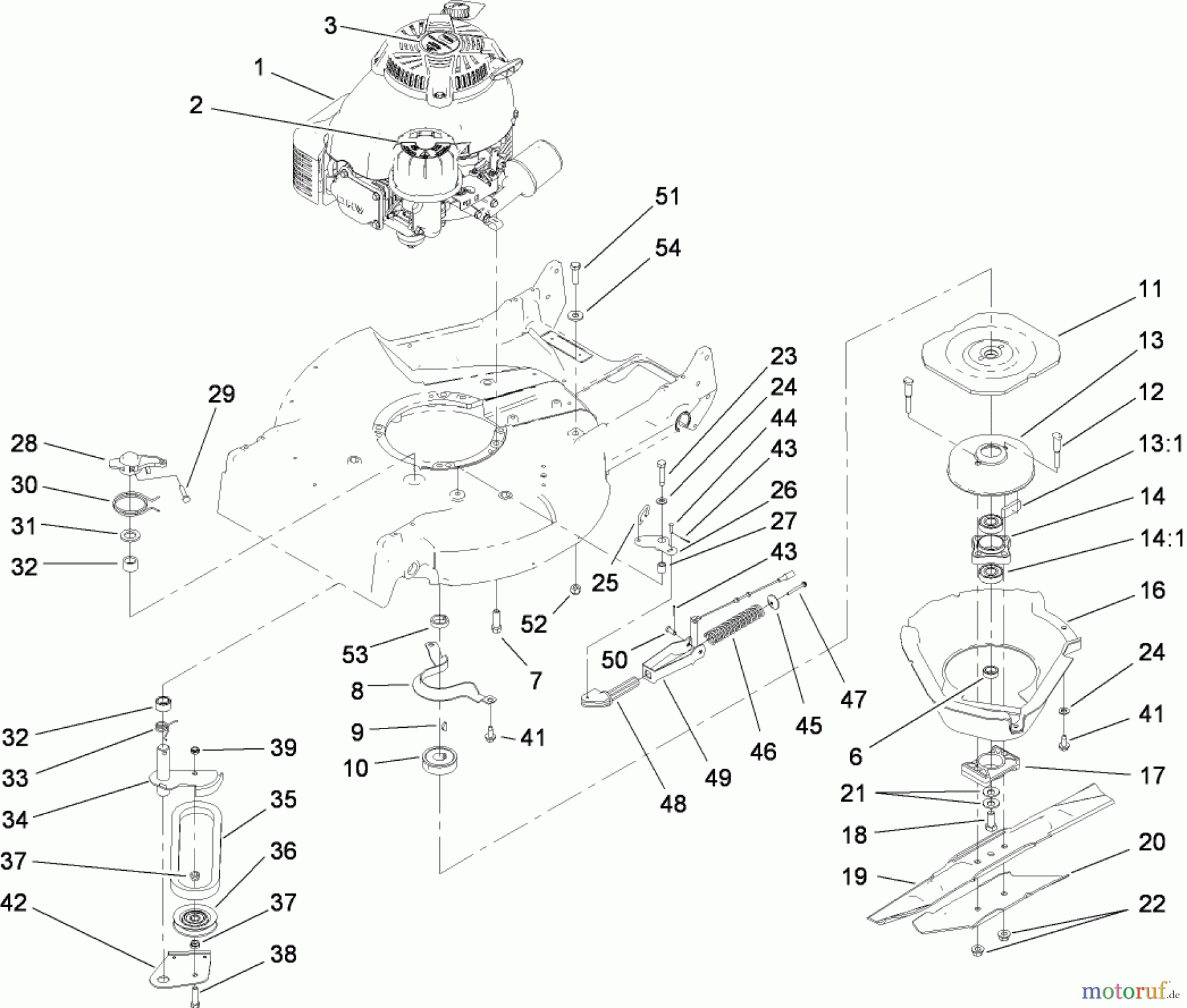
Toro 22188 - 21" Heavy-Duty Recycler/Rear Bagger Lawn Mower, 2008 (280000001-280999999) ENGINE AND BLADE ASSEMBLY Ersatzteile
ENGINE AND BLADE ASSEMBLY 22188 - Toro 21" Heavy-Duty Recycler/Rear Bagger Lawn Mower, 2008 (280000001-280999999)

Hier finden Sie die Ersatzteilzeichnung für Toro Neu Mowers, Walk-Behind Seite 2 22188 - Toro 21" Heavy-Duty Recycler/Rear Bagger Lawn Mower, 2008 (280000001-280999999) ENGINE AND BLADE ASSEMBLY. Wählen Sie das benötigte Ersatzteil aus der Ersatzteilliste Ihres Toro Gerätes aus und bestellen Sie einfach online. Viele Toro Ersatzteile halten wir ständig in unserem Lager für Sie bereit.




