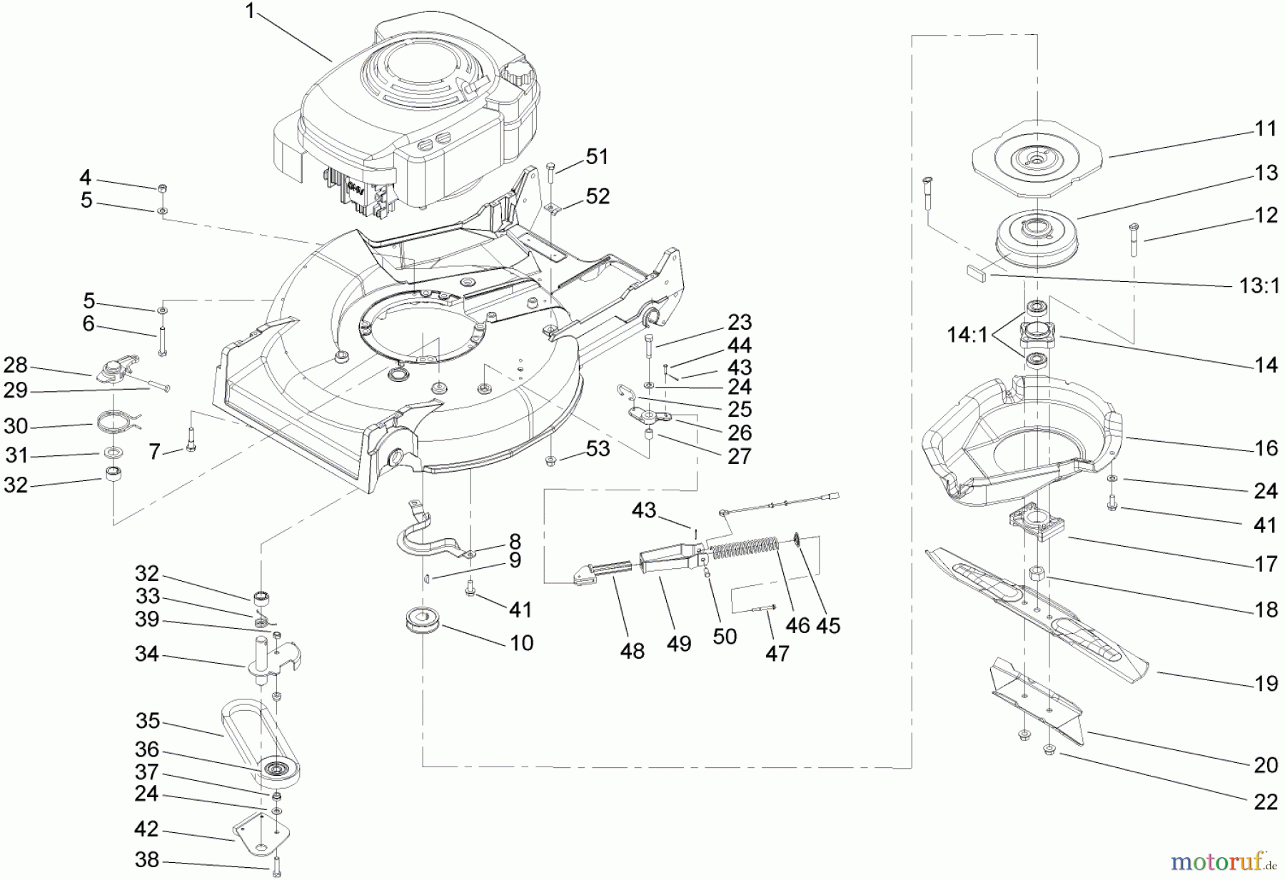
Toro 22168 - 21" Heavy-Duty Recycler/Rear Bagger Lawnmower, 2005 (250000001-250999999) ENGINE, BELT AND BLADE ASSEMBLY Ersatzteile
ENGINE, BELT AND BLADE ASSEMBLY 22168 - Toro 21" Heavy-Duty Recycler/Rear Bagger Lawnmower, 2005 (250000001-250999999)

Hier finden Sie die Ersatzteilzeichnung für Toro Neu Mowers, Walk-Behind Seite 2 22168 - Toro 21" Heavy-Duty Recycler/Rear Bagger Lawnmower, 2005 (250000001-250999999) ENGINE, BELT AND BLADE ASSEMBLY. Wählen Sie das benötigte Ersatzteil aus der Ersatzteilliste Ihres Toro Gerätes aus und bestellen Sie einfach online. Viele Toro Ersatzteile halten wir ständig in unserem Lager für Sie bereit.






