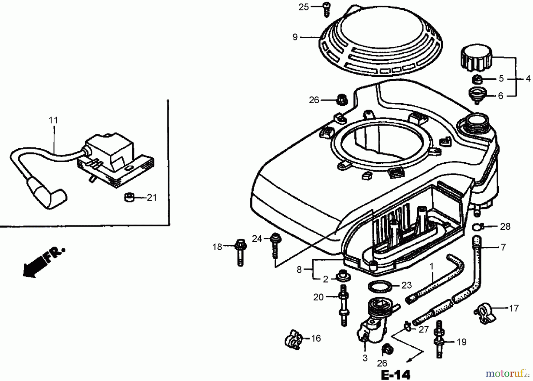
Toro 22167 - 21" Heavy-Duty Recycler/Rear Bagger Lawnmower, 2007 (270000001-270999999) FAN COVER ASSEMBLY HONDA GXV160K1-A1T Ersatzteile
FAN COVER ASSEMBLY HONDA GXV160K1-A1T 22167 - Toro 21" Heavy-Duty Recycler/Rear Bagger Lawnmower, 2007 (270000001-270999999)

Hier finden Sie die Ersatzteilzeichnung für Toro Neu Mowers, Walk-Behind Seite 2 22167 - Toro 21" Heavy-Duty Recycler/Rear Bagger Lawnmower, 2007 (270000001-270999999) FAN COVER ASSEMBLY HONDA GXV160K1-A1T. Wählen Sie das benötigte Ersatzteil aus der Ersatzteilliste Ihres Toro Gerätes aus und bestellen Sie einfach online. Viele Toro Ersatzteile halten wir ständig in unserem Lager für Sie bereit.



