Toro 22151 - Lawnmower, 1992 (2000001-2999999) ENGINE GTS 150 77-9140 #1 Ersatzteile
ENGINE GTS 150 77-9140 #1 22151 - Toro Lawnmower, 1992 (2000001-2999999)

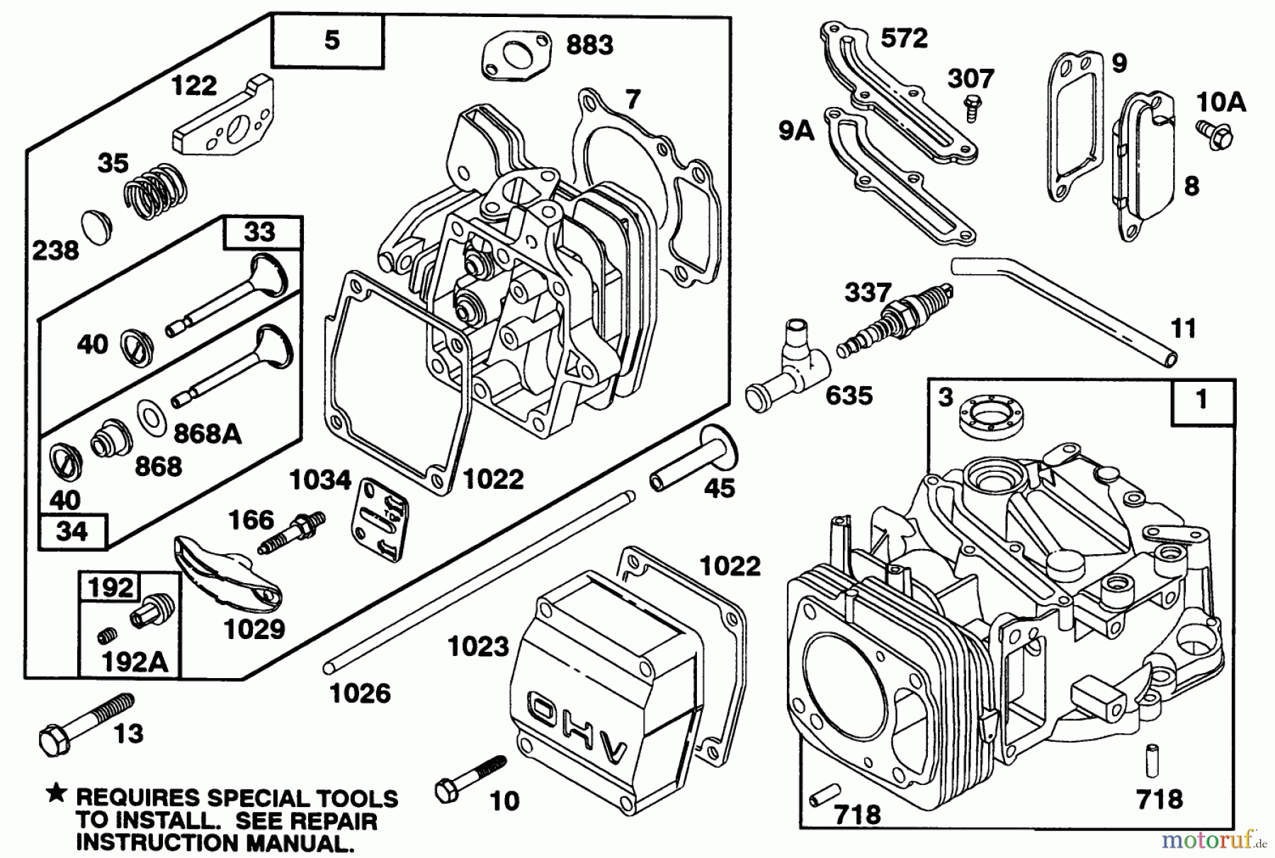
Hier finden Sie die Ersatzteilzeichnung für Toro Neu Mowers, Walk-Behind Seite 2 22151 - Toro Lawnmower, 1992 (2000001-2999999) ENGINE GTS 150 77-9140 #1. Wählen Sie das benötigte Ersatzteil aus der Ersatzteilliste Ihres Toro Gerätes aus und bestellen Sie einfach online. Viele Toro Ersatzteile halten wir ständig in unserem Lager für Sie bereit.



