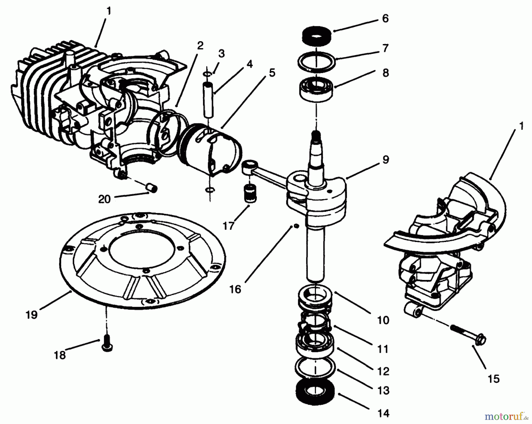
Toro 22037BC - Lawnmower, 1995 (5900001-5999999) CRANKSHAFT ASSEMBLY (MODEL NO. 47PR4-3) Ersatzteile
CRANKSHAFT ASSEMBLY (MODEL NO. 47PR4-3) 22037BC - Toro Lawnmower, 1995 (5900001-5999999)

Hier finden Sie die Ersatzteilzeichnung für Toro Neu Mowers, Walk-Behind Seite 2 22037BC - Toro Lawnmower, 1995 (5900001-5999999) CRANKSHAFT ASSEMBLY (MODEL NO. 47PR4-3). Wählen Sie das benötigte Ersatzteil aus der Ersatzteilliste Ihres Toro Gerätes aus und bestellen Sie einfach online. Viele Toro Ersatzteile halten wir ständig in unserem Lager für Sie bereit.



