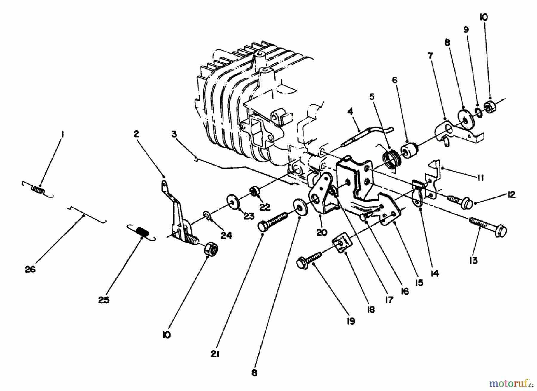
Toro 22036 - Lawnmower, 1990 (0000001-0999999) GOVERNOR ASSEMBLY (MODEL NO. 47PK9-3) Ersatzteile
GOVERNOR ASSEMBLY (MODEL NO. 47PK9-3) 22036 - Toro Lawnmower, 1990 (0000001-0999999)

Hier finden Sie die Ersatzteilzeichnung für Toro Neu Mowers, Walk-Behind Seite 2 22036 - Toro Lawnmower, 1990 (0000001-0999999) GOVERNOR ASSEMBLY (MODEL NO. 47PK9-3). Wählen Sie das benötigte Ersatzteil aus der Ersatzteilliste Ihres Toro Gerätes aus und bestellen Sie einfach online. Viele Toro Ersatzteile halten wir ständig in unserem Lager für Sie bereit.




