Einkaufswagen
Mein Konto

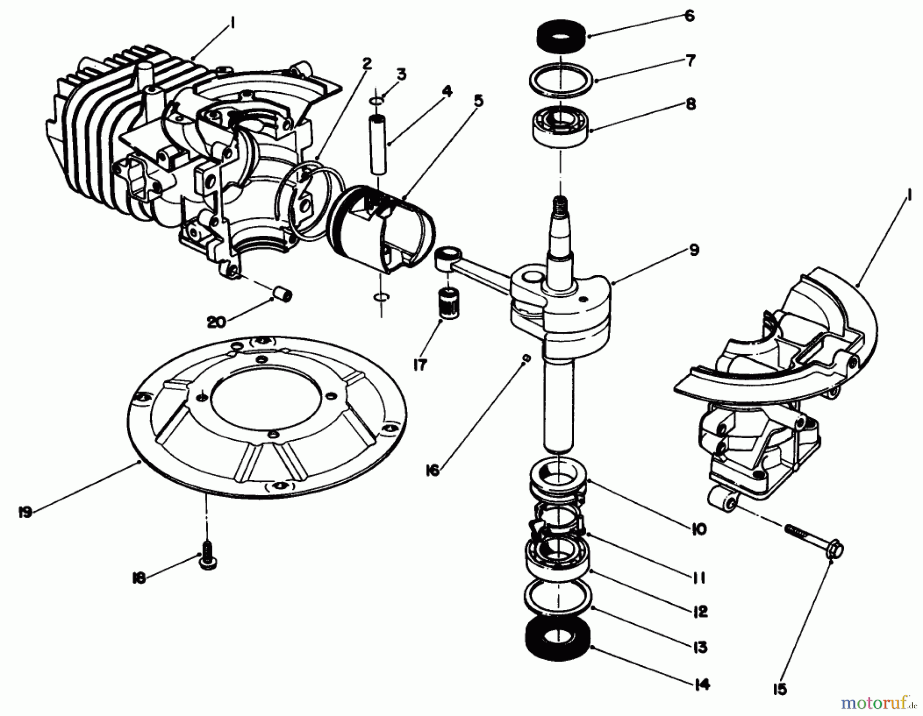
Toro 22035 - Lawnmower, 1989 (9000001-9006453) ENGINE ASSEMBLY MODEL NO. 47PJ8 #1 Ersatzteile

ENGINE ASSEMBLY MODEL NO. 47PJ8 #1 22035 - Toro Lawnmower, 1989 (9000001-9006453)

 Toro Neu Mowers, Walk-Behind Seite 2 22035 - Toro Lawnmower, 1989 (9000001-9006453) ENGINE ASSEMBLY MODEL NO. 47PJ8 #1

Hier finden Sie die Ersatzteilzeichnung für Toro Neu Mowers, Walk-Behind Seite 2 22035 - Toro Lawnmower, 1989 (9000001-9006453) ENGINE ASSEMBLY MODEL NO. 47PJ8 #1. Wählen Sie das benötigte Ersatzteil aus der Ersatzteilliste Ihres Toro Gerätes aus und bestellen Sie einfach online. Viele Toro Ersatzteile halten wir ständig in unserem Lager für Sie bereit.

Rasen
Bankeinzug, MasterCard, Visa, American Express, PayPal, Nachnahme, Vorauskasse, Sofortüberweisung
Qualitätsmanagement
Informieren Sie uns, wenn Sie einen Fehler gefunden haben.