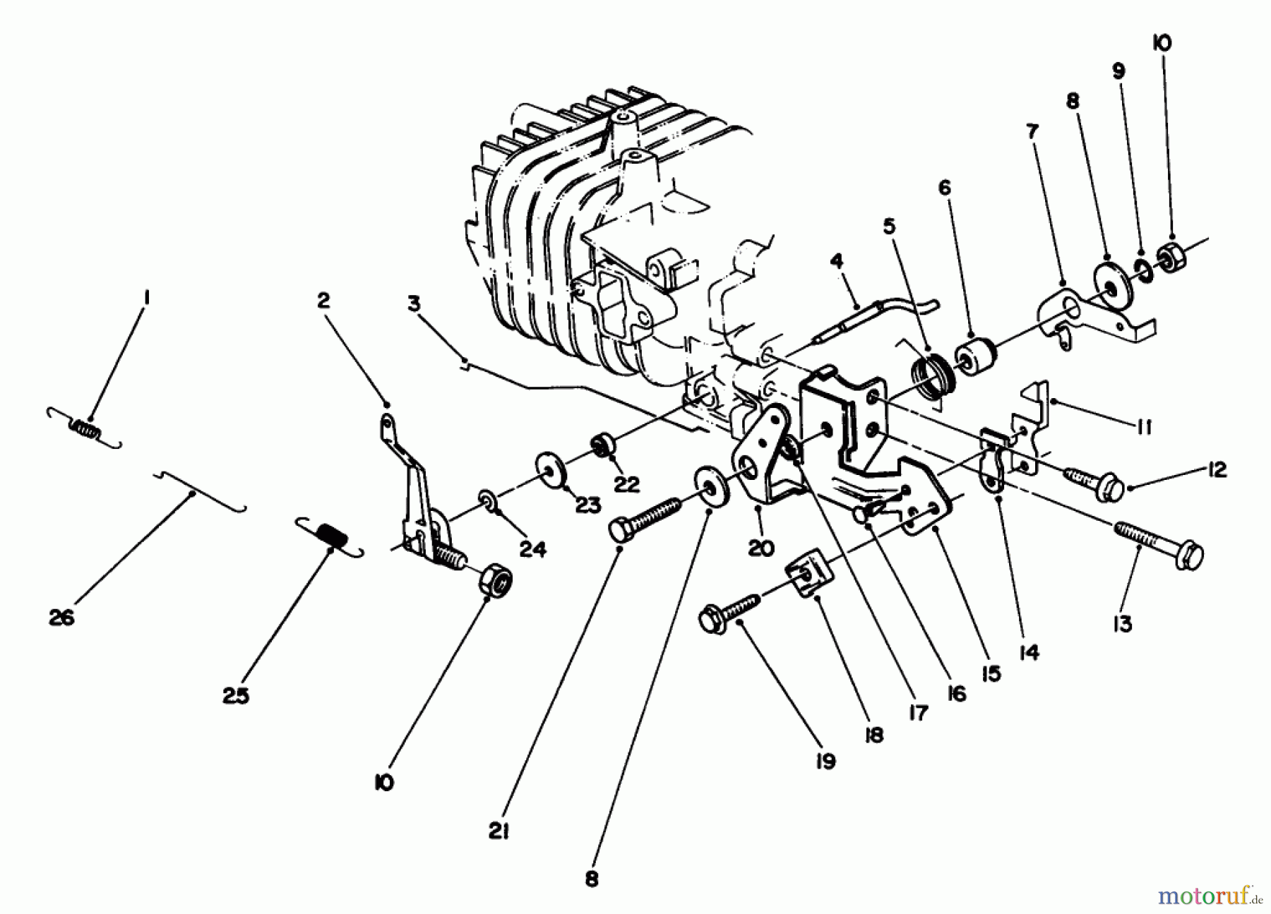
Toro 22031 - ProLine 21" Recycler Lawnmower, 1992 (2000001-2999999) GOVERNOR ASSEMBLY (MODEL NO. 47PM1-3) Ersatzteile
GOVERNOR ASSEMBLY (MODEL NO. 47PM1-3) 22031 - Toro ProLine 21" Recycler Lawnmower, 1992 (2000001-2999999)

Hier finden Sie die Ersatzteilzeichnung für Toro Neu Mowers, Walk-Behind Seite 2 22031 - Toro ProLine 21" Recycler Lawnmower, 1992 (2000001-2999999) GOVERNOR ASSEMBLY (MODEL NO. 47PM1-3). Wählen Sie das benötigte Ersatzteil aus der Ersatzteilliste Ihres Toro Gerätes aus und bestellen Sie einfach online. Viele Toro Ersatzteile halten wir ständig in unserem Lager für Sie bereit.


Qualitätsmanagement
Informieren Sie uns, wenn Sie einen Fehler gefunden haben.


