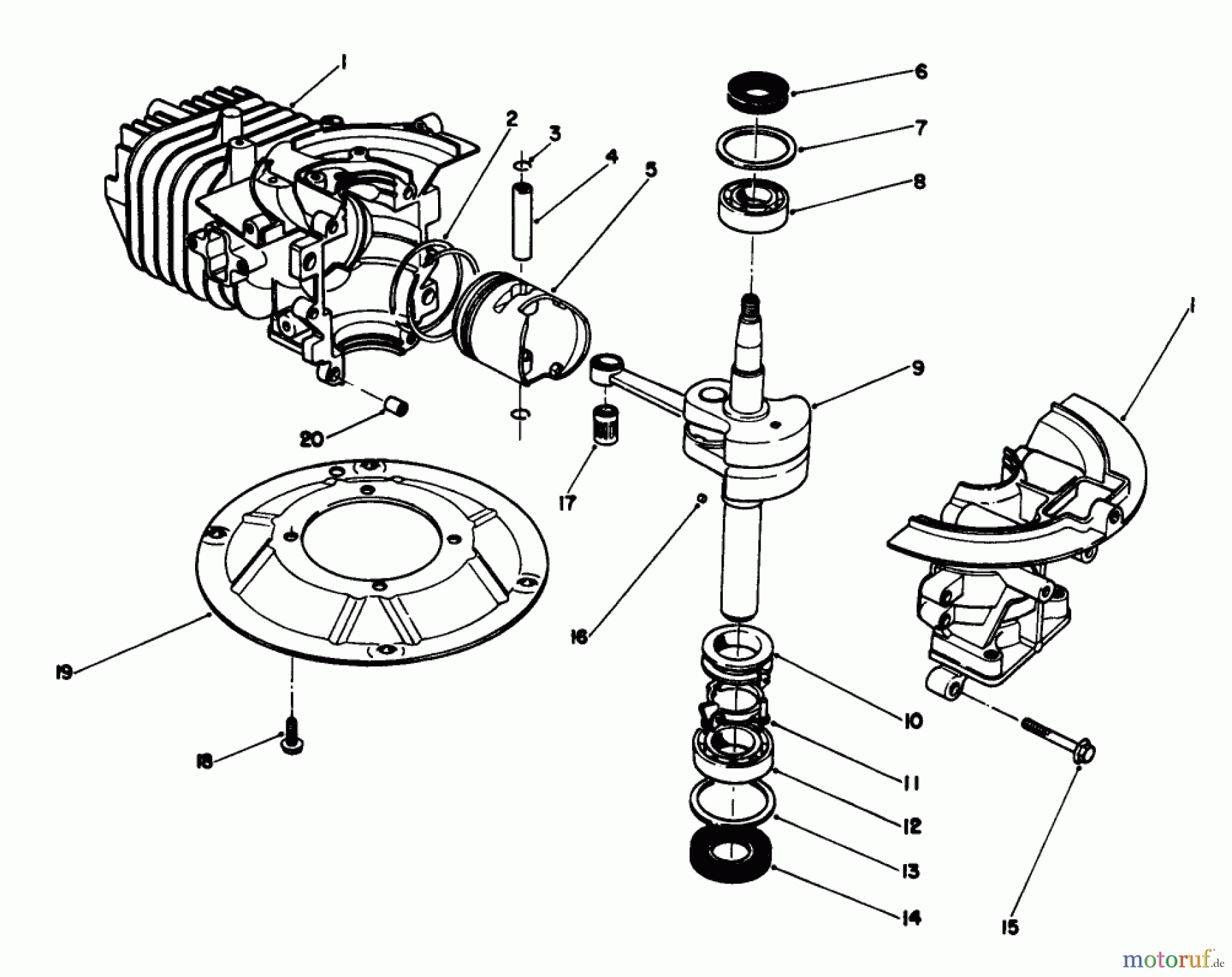
Toro 22025 - Lawnmower, 1990 (0000001-0999999) CRANKSHAFT ASSEMBLY (MODEL NO. 47PK9-3) Ersatzteile
CRANKSHAFT ASSEMBLY (MODEL NO. 47PK9-3) 22025 - Toro Lawnmower, 1990 (0000001-0999999)

Hier finden Sie die Ersatzteilzeichnung für Toro Neu Mowers, Walk-Behind Seite 2 22025 - Toro Lawnmower, 1990 (0000001-0999999) CRANKSHAFT ASSEMBLY (MODEL NO. 47PK9-3). Wählen Sie das benötigte Ersatzteil aus der Ersatzteilliste Ihres Toro Gerätes aus und bestellen Sie einfach online. Viele Toro Ersatzteile halten wir ständig in unserem Lager für Sie bereit.


Qualitätsmanagement
Informieren Sie uns, wenn Sie einen Fehler gefunden haben.

