Einstellungen Computer

Toro 22015 - Lawnmower, 1983 (3000001-3999999) GEAR CASE ASSEMBLY (MODEL 22020) Ersatzteile

GEAR CASE ASSEMBLY (MODEL 22020) 22015 - Toro Lawnmower, 1983 (3000001-3999999)

 Toro Neu Mowers, Walk-Behind Seite 2 22015 - Toro Lawnmower, 1983 (3000001-3999999) GEAR CASE ASSEMBLY (MODEL 22020)

Hier finden Sie die Ersatzteilzeichnung für Toro Neu Mowers, Walk-Behind Seite 2 22015 - Toro Lawnmower, 1983 (3000001-3999999) GEAR CASE ASSEMBLY (MODEL 22020). Wählen Sie das benötigte Ersatzteil aus der Ersatzteilliste Ihres Toro Gerätes aus und bestellen Sie einfach online. Viele Toro Ersatzteile halten wir ständig in unserem Lager für Sie bereit.

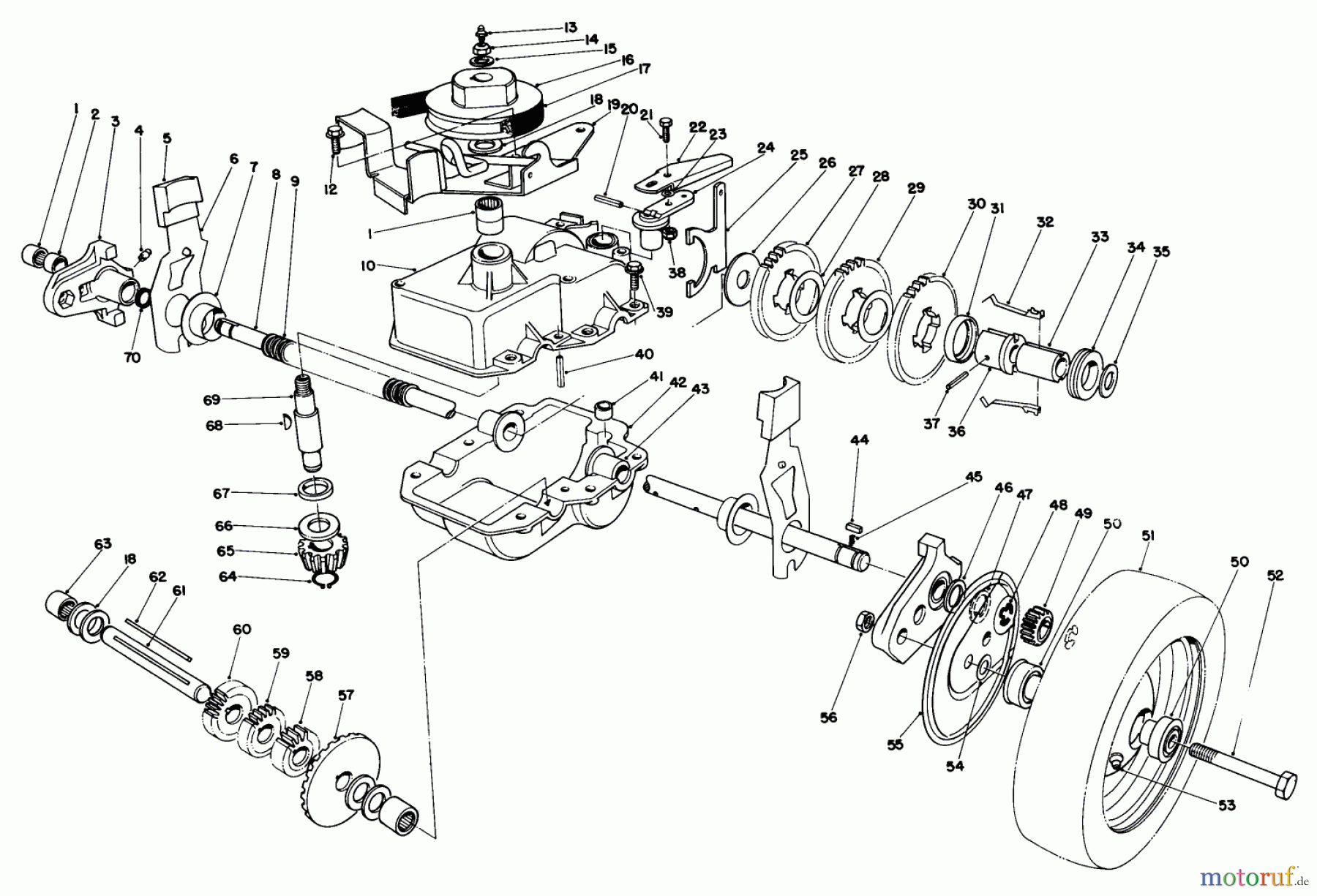
BildNrArtikel NummerBezeichnung
1 TR47-7270Nadellager
2 TR47-2890Buechse
3 TR53-7940Radschenkel
4 TR302-56Schmiernippel
5 TR25-7740Hebelknopf
6 TR48-2390DISCONTINUED
7 TR48-2170Abdeckkappe
8 TR12-6659Antriebswelle
9 TR24-7922Verkleidung
10 TR
12 TR12-3270Schraube
13 Toro SchmiernippelTR302-5Schmiernippel
14 TR3296-5Stopmutter
15 TR3256-45Scheibe
16 TR39-6740Keilriemenscheibe
17 TR36-8070Keilriemen
18 TR36-4790WASHER-THRUST
19 TR48-2490Riemenfuehrung
20 TR32121-99Spannhuelse
21 TR3290-134Schraube
22 TR55-8040Schalthebel
23 Toro ScheibeTR3256-14Scheibe
24 TR29-9560Hebel
25 TR60-8870Schaltklaue
26 TR29-9690Scheibe
27 TR42-4740Zahnrad 38 Zaehne
28 TR36-4770WASHER
29 TR29-9271Zahnrad
30 TR46-3560Zahnrad
31 TR39-7830Keilrueckholer
32 TR29-9330Schiebekeil
33 TR39-6720SLEEVE
34 TR29-9340Stellring
35 Toro ScheibeTR36-4780Scheibe
36 TR55-8010Gleitbuchse
37 TR32121-108Stift
38 TR3296-2Mutter
39 TR32144-44SCHRAUBE
40 TR32121-100Spannhuelse
41 TR29-9570Buchse
42 TR
43 TR48-2450Buechse
44 TR39-9680KEY RECTANGULAR
45 TR39-9650Feder
46 TR48-2890THRUST WASHER
47 TR48-2580KEYED WASHER
48 Toro RING-RETAININGTR32151-68RING-RETAINING
49 TR39-9160Zahnrad
50 TR48-2260WHEEL BRG
51 TR48-2300DISCONTINUED X-REF
52 Toro SchraubeTR3231-2Schraube
53 Toro SchmiernippelTR302-5Schmiernippel
54 Toro ScheibeTR40-1940Scheibe
55 TR44-0600Radabdeckung
56 TR32152-2NUT-LOCK, CONE
57 TR39-6670Kegelrad
58 TR46-3540Zahnrad
59 TR46-3550Zahnrad
60 TR39-6650Zahnrad
61 TR53-7950Welle
62 TR39-7843Keil
63 TR252-103Nadellager
64 TR32151-57Sicherungsring
65 TR39-6660PINION-BEVEL
66 TR47-2910Scheibe
67 TR47-7260Simmerring
68 TR3257-1Keil
69 TR13-5149Schneckenwelle
70 TR47-7260Simmerring
TR61-8032Getriebe Kpl.
Rasen
Bankeinzug, MasterCard, Visa, American Express, PayPal, Nachnahme, Vorauskasse, Sofortüberweisung
Datenschutzerklärung Impressum
Qualitätsmanagement
Informieren Sie uns, wenn Sie einen Fehler gefunden haben.