Einstellungen Computer

Toro 21666 - Whirlwind Lawnmower, 1970 (0000001-0033908) ENGINE MODEL LAV35-40534H Ersatzteile

ENGINE MODEL LAV35-40534H 21666 - Toro Whirlwind Lawnmower, 1970 (0000001-0033908)

 Toro Neu Mowers, Walk-Behind Seite 2 21666 - Toro Whirlwind Lawnmower, 1970 (0000001-0033908) ENGINE MODEL LAV35-40534H

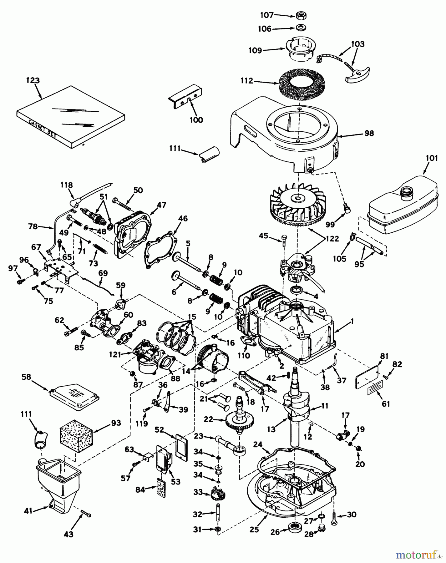
Hier finden Sie die Ersatzteilzeichnung für Toro Neu Mowers, Walk-Behind Seite 2 21666 - Toro Whirlwind Lawnmower, 1970 (0000001-0033908) ENGINE MODEL LAV35-40534H. Wählen Sie das benötigte Ersatzteil aus der Ersatzteilliste Ihres Toro Gerätes aus und bestellen Sie einfach online. Viele Toro Ersatzteile halten wir ständig in unserem Lager für Sie bereit.

BildNrArtikel NummerBezeichnung
1 TC33337
2 TC26727DOWEL PIN
4 TC29183OIL SEAL
5 TC29314CINT VALVE ST
5 TC29315CPILOT FUER EIN- AUSLASSVENTIL
6 TC29313CEXH VALVE STD
6 TC29315A
8 TC31671VENTILTELLER
9 TC31672VENTILFEDER
10 TC31673VENTILTELLER
11 TC31439
12 TC29783SPLINT
13 TC27613
14 TC32538BKOLBEN U, BOLZEN
14 TC32548BPISTON & PIN 10
14 TC32549BKOLBEN U, BOLZEN
15 TC28986KOLBENRINGSATZ
15 TC28987RING SET 010
15 TC28988KOLBENRINGSATZ
16 TC20381RET RING
17 TC30963BCONN ROD
18 TC26706
19 TC20747
20 TC27573
21 TC27241VALVE LIFTER
22 TC35992NOCKENWELLE
23 TC29914OIL PUMP
24 TC37609DICHTUNG
25 TC37644FLANSCH
26 TC26208SIMMERRING
27 TC28833GASKET
28 TC36083OELABLASSCHRAUBE
30 TC650488SCREW
31 TC30590AWASHER
32 TC30574AREGLERWELLE
33 Toro ZAHNRADTC30591ZAHNRAD
34 TC29193SICHERUNGSRING
35 TC30588AREGLERSPULE
36 TC31335KLAMMER
37 TC30589REGLERSTANGE
38 TC28277WASHER
39 TC32651GOV LEVER
41 TC33005CLEANER BODY
42 TC610961KEIL
43 TC650707SCREW
45 TC650489SCHRAUBE
46 TC29953CGASKET
47 TC36438CYL HEAD
48 TC26073SCHEIBE
49 Toro SCHRAUBETC6021ASCHRAUBE
50 TC650694ASCREW
51 TC33636ZUENDKERZE
52 TC31619AGASKET
53 TC31337BBREATHER
57 TC650128SCHRAUBE
58 TC33007FILTERDECKEL
59 TC32649ADICHTUNG
60 TC33004AEINLASSROHR
61 TC36261AUFKLEBER
62 TC650451SCREW
63 TC30593CLIP
65 TC30200SCHRAUBE
67 TC32181AVERGASERVERKLEIDUNG
69 TC32652REGLERGELENK
71 TC32653GELENK
73 TC31386REGLERFEDER
75 TC651029SCREW
77 TC31342FEDER
78 TC35349GROUND WIRE
81 TC31345
82 TC28670
83 TC26756DICHTUNG
84 TC31410ELEMENT
85 TC6201SCHRAUBE
87 TC29752NUT
88 TC33051DICHTUNG
93 TC33006AIR CLEANER
95 TC29774KRAFTSTOFFLEITUNG
96 TC27793KLEMME
97 TC28942SCREW
98 TC32455B
99 TC650561SCHRAUBE
101 TC37947FUEL TANK
103 TC590343NICHT MEHR LIEFERBAR
105 TC26460CLAMP
106 TC650815WASHER
107 TC650607NUT
109 TC34461STARTERSCHALE
110 TC30081ADICHTUNG
111 TC33008CLEANER TUBE
112 TC590417SCREEN
118 TC610118KERZENSTECKER
119 TC651018Reglerschraube 8/32 x 19/64"
121 TC631581VERGASER
122 TC610772
123 TC33238EDICHTUNGSATZ
Rasen
Bankeinzug, MasterCard, Visa, American Express, PayPal, Nachnahme, Vorauskasse, Sofortüberweisung
Datenschutzerklärung Impressum
Qualitätsmanagement
Informieren Sie uns, wenn Sie einen Fehler gefunden haben.