Toro 20762C - Lawnmower, 1986 (6000001-6999999) ENGINE TECUMSEH MODEL NO. TNT 100-1OO99E Ersatzteile
ENGINE TECUMSEH MODEL NO. TNT 100-1OO99E 20762C - Toro Lawnmower, 1986 (6000001-6999999)

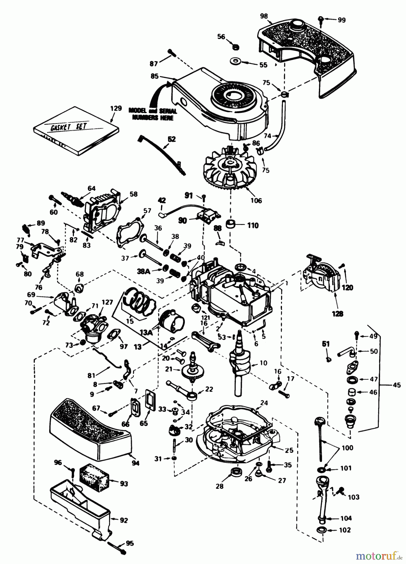
Hier finden Sie die Ersatzteilzeichnung für Toro Neu Mowers, Walk-Behind Seite 1 20762C - Toro Lawnmower, 1986 (6000001-6999999) ENGINE TECUMSEH MODEL NO. TNT 100-1OO99E. Wählen Sie das benötigte Ersatzteil aus der Ersatzteilliste Ihres Toro Gerätes aus und bestellen Sie einfach online. Viele Toro Ersatzteile halten wir ständig in unserem Lager für Sie bereit.







