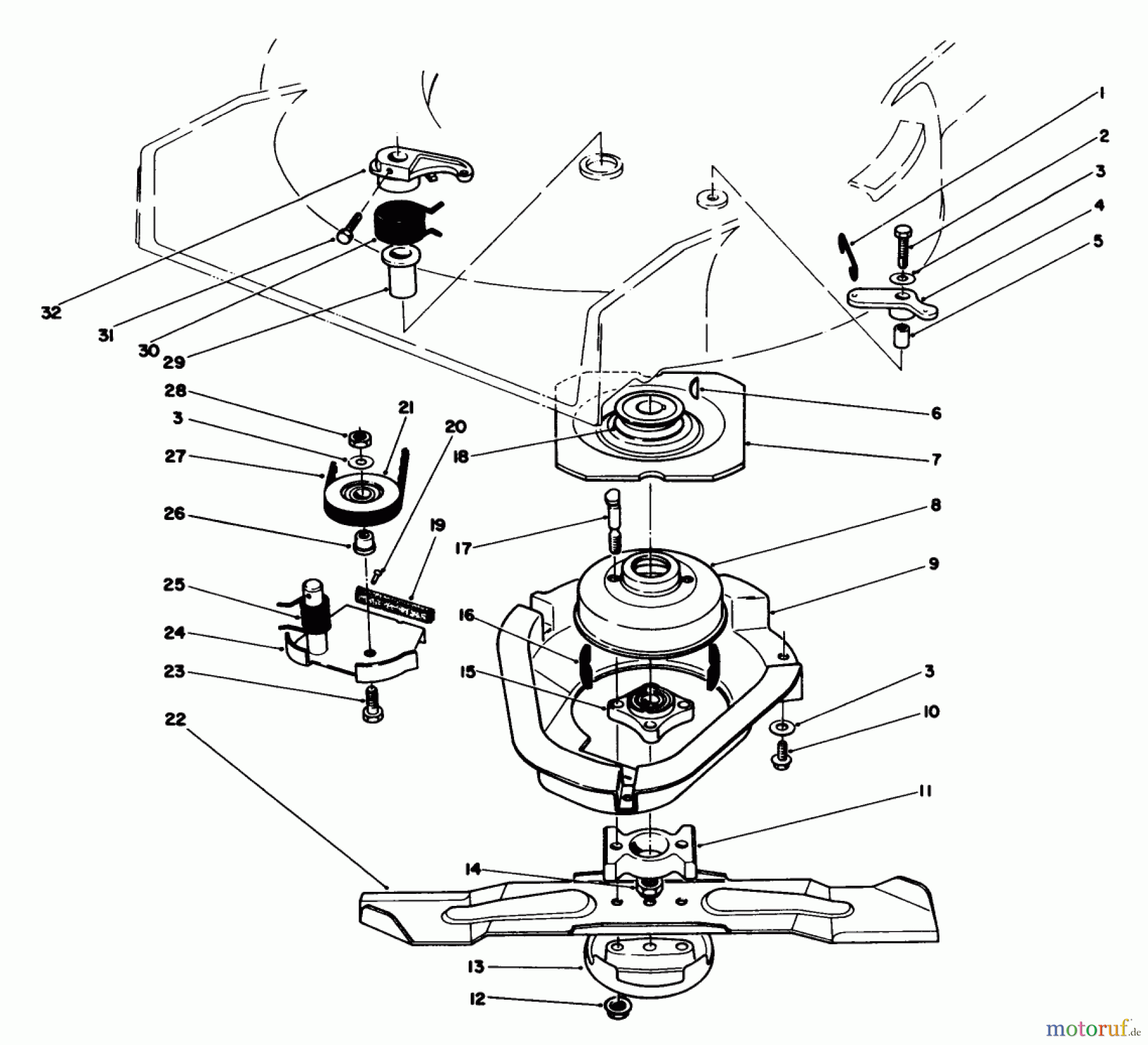
Toro 20622 - Lawnmower, 1987 (7000001-7999999) BLADE BRAKE CLUTCH ASSEMBLY Ersatzteile
BLADE BRAKE CLUTCH ASSEMBLY 20622 - Toro Lawnmower, 1987 (7000001-7999999)

Hier finden Sie die Ersatzteilzeichnung für Toro Neu Mowers, Walk-Behind Seite 1 20622 - Toro Lawnmower, 1987 (7000001-7999999) BLADE BRAKE CLUTCH ASSEMBLY. Wählen Sie das benötigte Ersatzteil aus der Ersatzteilliste Ihres Toro Gerätes aus und bestellen Sie einfach online. Viele Toro Ersatzteile halten wir ständig in unserem Lager für Sie bereit.




