Einstellungen Computer

Toro 20610 - Lawnmower, 1983 (3000001-3999999) CARBURETOR NO. 632050A Ersatzteile

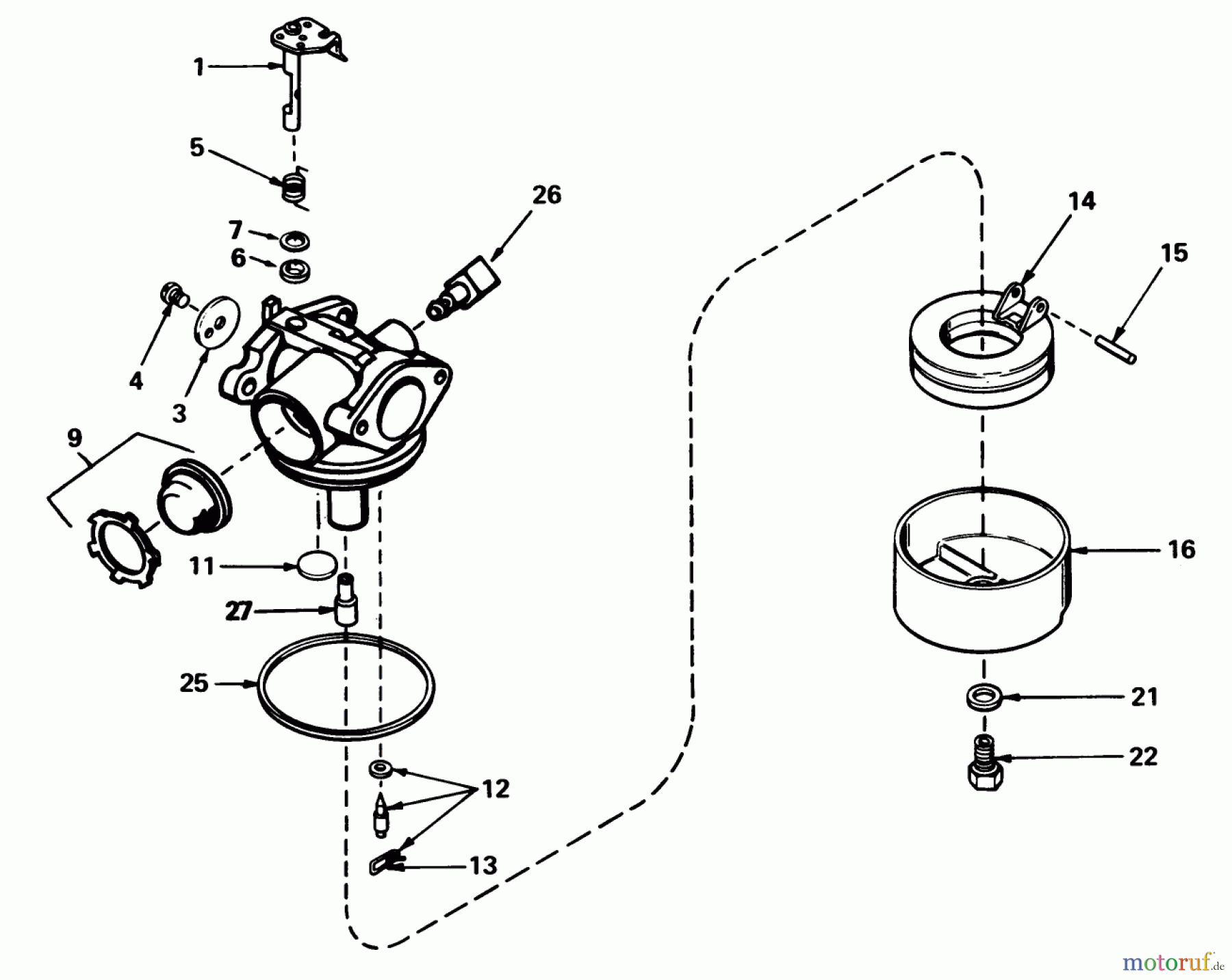
CARBURETOR NO. 632050A 20610 - Toro Lawnmower, 1983 (3000001-3999999)

 Toro Neu Mowers, Walk-Behind Seite 1 20610 - Toro Lawnmower, 1983 (3000001-3999999) CARBURETOR NO. 632050A

Hier finden Sie die Ersatzteilzeichnung für Toro Neu Mowers, Walk-Behind Seite 1 20610 - Toro Lawnmower, 1983 (3000001-3999999) CARBURETOR NO. 632050A. Wählen Sie das benötigte Ersatzteil aus der Ersatzteilliste Ihres Toro Gerätes aus und bestellen Sie einfach online. Viele Toro Ersatzteile halten wir ständig in unserem Lager für Sie bereit.

Rasen
Bankeinzug, MasterCard, Visa, American Express, PayPal, Nachnahme, Vorauskasse, Sofortüberweisung
Datenschutzerklärung Impressum
Qualitätsmanagement
Informieren Sie uns, wenn Sie einen Fehler gefunden haben.