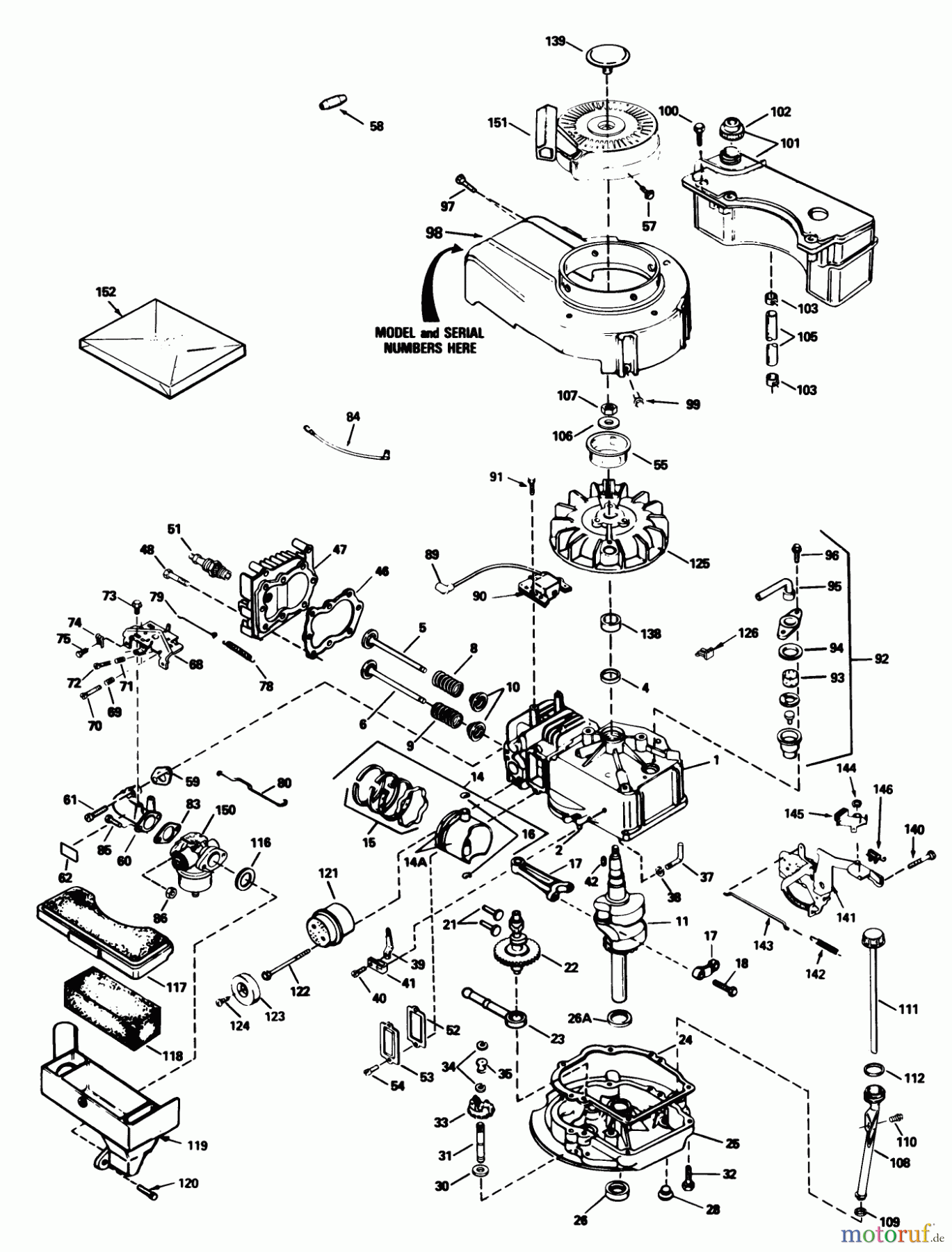
Toro 20588 - Lawnmower, 1988 (8000001-8999999) ENGINE TECUMSEH MODEL NO. TVS100-44011B Ersatzteile
ENGINE TECUMSEH MODEL NO. TVS100-44011B 20588 - Toro Lawnmower, 1988 (8000001-8999999)

Hier finden Sie die Ersatzteilzeichnung für Toro Neu Mowers, Walk-Behind Seite 1 20588 - Toro Lawnmower, 1988 (8000001-8999999) ENGINE TECUMSEH MODEL NO. TVS100-44011B. Wählen Sie das benötigte Ersatzteil aus der Ersatzteilliste Ihres Toro Gerätes aus und bestellen Sie einfach online. Viele Toro Ersatzteile halten wir ständig in unserem Lager für Sie bereit.


Qualitätsmanagement
Informieren Sie uns, wenn Sie einen Fehler gefunden haben.





