Toro 20586 - Lawnmower, 1986 (6000001-6999999) ENGINE TECUMSEH MODEL TVS100-44002 (USED ON UNITS WITH SERIAL NO. 6000959 & UP) Ersatzteile
ENGINE TECUMSEH MODEL TVS100-44002 (USED ON UNITS WITH SERIAL NO. 6000959 & UP) 20586 - Toro Lawnmower, 1986 (6000001-6999999)

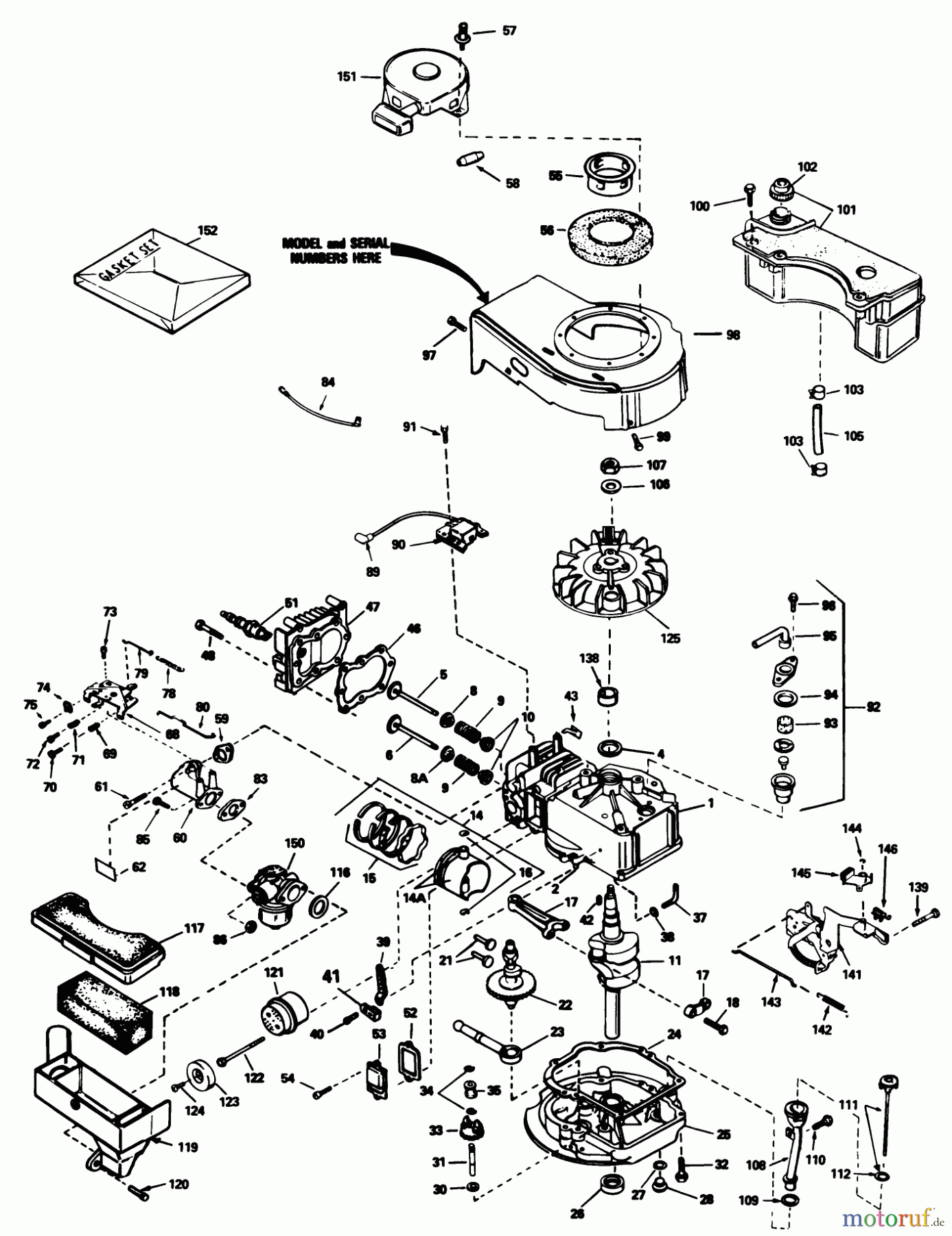
Hier finden Sie die Ersatzteilzeichnung für Toro Neu Mowers, Walk-Behind Seite 1 20586 - Toro Lawnmower, 1986 (6000001-6999999) ENGINE TECUMSEH MODEL TVS100-44002 (USED ON UNITS WITH SERIAL NO. 6000959 & UP). Wählen Sie das benötigte Ersatzteil aus der Ersatzteilliste Ihres Toro Gerätes aus und bestellen Sie einfach online. Viele Toro Ersatzteile halten wir ständig in unserem Lager für Sie bereit.







