Toro 20581 - Lawnmower, 1984 (4000001-4999999) FLYWHEEL & MAGNETO ASSEMBLY Ersatzteile
FLYWHEEL & MAGNETO ASSEMBLY 20581 - Toro Lawnmower, 1984 (4000001-4999999)

Hier finden Sie die Ersatzteilzeichnung für Toro Neu Mowers, Walk-Behind Seite 1 20581 - Toro Lawnmower, 1984 (4000001-4999999) FLYWHEEL & MAGNETO ASSEMBLY. Wählen Sie das benötigte Ersatzteil aus der Ersatzteilliste Ihres Toro Gerätes aus und bestellen Sie einfach online. Viele Toro Ersatzteile halten wir ständig in unserem Lager für Sie bereit.
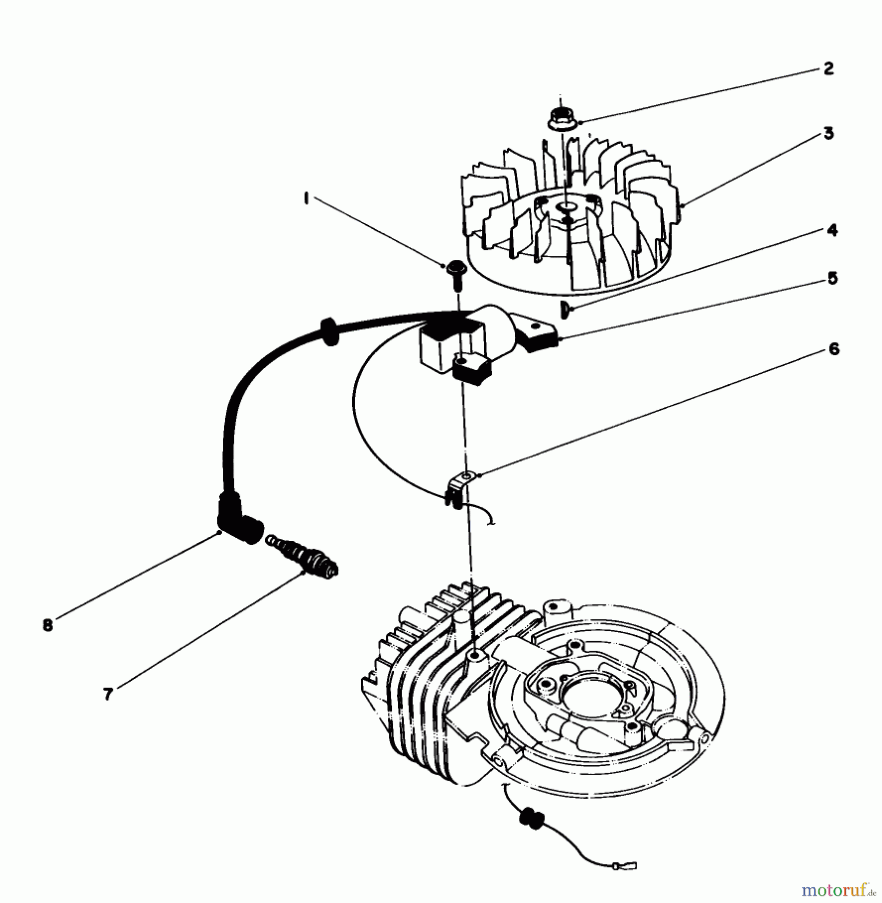
| BildNr | Artikel Nummer | Bezeichnung | |
| 1 | TR81-5680 | SCREW | |
| 2 | TR81-1330 | Mutter | |
| 3 | TR81-1980 | Schwungrad | |
| 4 | TR81-2370 | Keil | |
| 5 | TR17-1529 | Zuendanlage | |
| 6 | TR81-1480 | Klemme | |
| 7 | TR81-4181 | ||
| 8 | TR81-1500 | Zuendkerzenstecker | |
| TR41-7650 | Schwungradabzieher Toro | ||


Qualitätsmanagement
Informieren Sie uns, wenn Sie einen Fehler gefunden haben.

