Einstellungen Computer

Toro 20577 - Lawnmower, 1985 (5000001-5999999) ENGINE TECUMSEH MODEL TNT100-10085E Ersatzteile

ENGINE TECUMSEH MODEL TNT100-10085E 20577 - Toro Lawnmower, 1985 (5000001-5999999)

 Toro Neu Mowers, Walk-Behind Seite 1 20577 - Toro Lawnmower, 1985 (5000001-5999999) ENGINE TECUMSEH MODEL TNT100-10085E

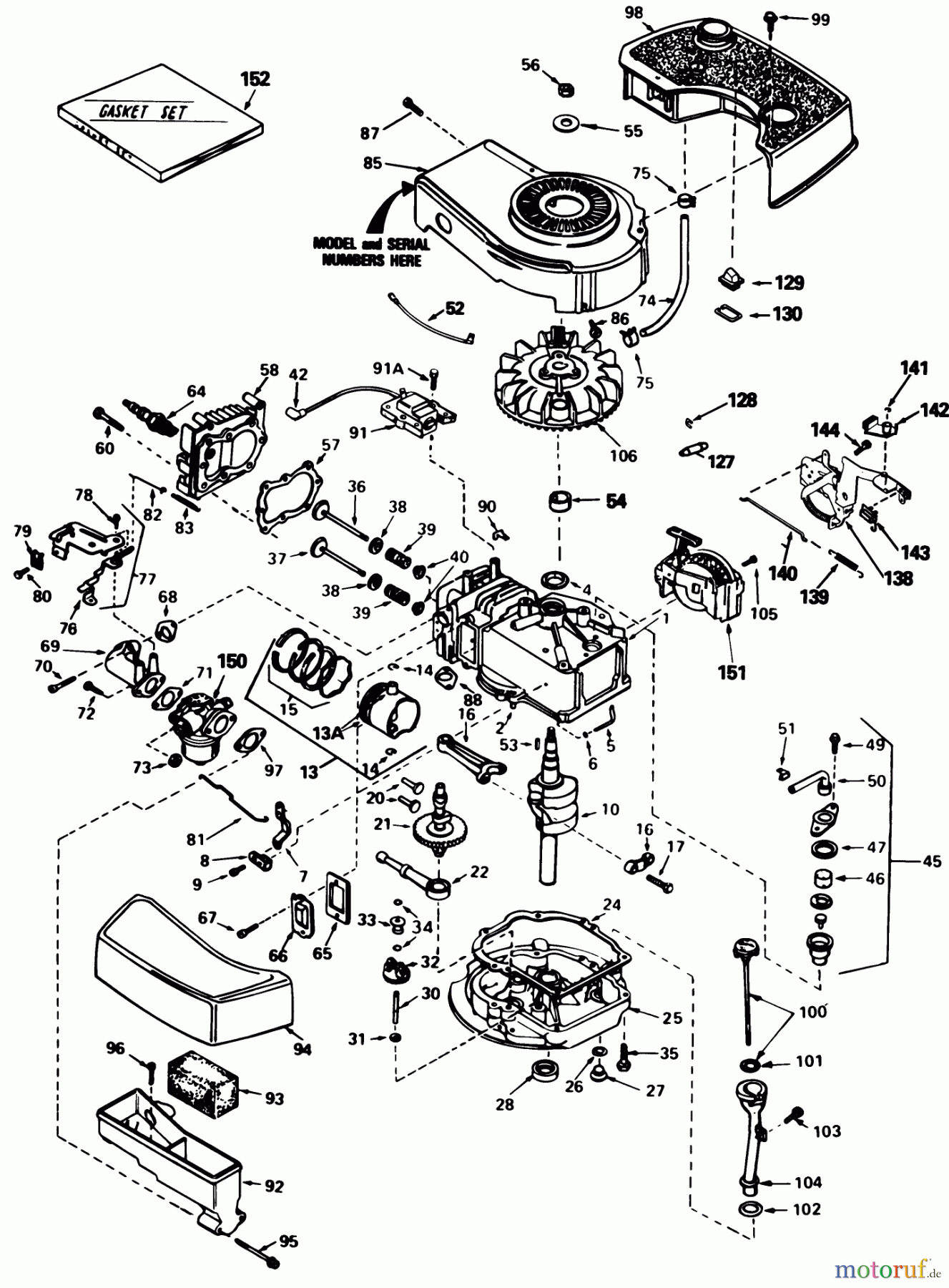
Hier finden Sie die Ersatzteilzeichnung für Toro Neu Mowers, Walk-Behind Seite 1 20577 - Toro Lawnmower, 1985 (5000001-5999999) ENGINE TECUMSEH MODEL TNT100-10085E. Wählen Sie das benötigte Ersatzteil aus der Ersatzteilliste Ihres Toro Gerätes aus und bestellen Sie einfach online. Viele Toro Ersatzteile halten wir ständig in unserem Lager für Sie bereit.

BildNrArtikel NummerBezeichnung
1 TC34429AZYLINDER
2 TC26727DOWEL PIN
4 TC32600SIMMERRING
5 TC30589REGLERSTANGE
6 TC28277WASHER
7 TC32651GOV LEVER
8 TC31335KLAMMER
9 TC651018Reglerschraube 8/32 x 19/64"
10 TC37333CRANKSHAFT
13 TC35544APISTON ASSY STD
13 TC35545APISTON ASSY 010
13 TC35546KOLBEN KPL, UEB,0,50mm
13A TC32603BUSE 35544
13A TC32604BUSE 00035545
13A TC32605BUSE 00035546
14 TC20381RET RING
15 TC34854KOLBENRINGSATZ
15 TC34855RING SET 010
15 TC34856KOLBENRINGSATZ
16 TC30963BCONN ROD
17 TC32610ASCHRAUBE
20 TC27241VALVE LIFTER
21 TC35992NOCKENWELLE
22 TC29914OIL PUMP
24 TC37609DICHTUNG
25 TC37644FLANSCH
26 TC28833GASKET
27 TC36083OELABLASSCHRAUBE
28 TC26208SIMMERRING
30 TC30574AREGLERWELLE
31 TC30590AWASHER
32 Toro ZAHNRADTC30591ZAHNRAD
33 TC30588AREGLERSPULE
34 TC29193SICHERUNGSRING
35 TC650488SCREW
36 TC29314CINT VALVE ST
37 TC29315CPILOT FUER EIN- AUSLASSVENTIL
37 TC29313CEXH VALVE STD
37 TC29315CPILOT FUER EIN- AUSLASSVENTIL
38 TC31671VENTILTELLER
39 TC31672VENTILFEDER
40 TC31673VENTILTELLER
42 TC610118KERZENSTECKER
45 TC34214B
46 TC33734LUFTFILTER
47 TC33735DICHTUNG
87 TC30200SCHRAUBE
50 TC33886ROHR
51 TC33887CLIP
52 TC37047KURZSCHLUSSKABEL
53 TC611004KEY
54 TC34080DISTANZSTUECK
55 TC650815WASHER
56 Toro MUTTERTC650816MUTTER
57 TC33015ADICHTUNG
58 TC36476ZYLINDERKOPF
60 Toro SCHRAUBETC6021ASCHRAUBE
64 TC33636ZUENDKERZE
65 TC27234AGASKET
66 TC32755VENTILDECKEL
67 TC650128SCHRAUBE
68 TC34690AGASKET
69 TC33004AEINLASSROHR
70 TC650451SCREW
71 TC31688ADICHTUNG
72 TC6201SCHRAUBE
73 TC29752NUT
74 TC30705FUEL LINE
75 TC26460CLAMP
76 TC34310HEBEL
77 TC33889AVERGASERVERKLEIDUNG
78 TC650804SCREW
79 TC27793KLEMME
80 TC28942SCREW
81 TC34336AREGLERGELENK
82 TC33151REGLERGELENK
83 TC33890REGLERFEDER
85 TC33891BGEBLAESEGEHAEUSE
86 TC650561SCHRAUBE
87 TC30200SCHRAUBE
88 TC30081ADICHTUNG
90 TC29443KLEMME
91 TC34443DLAMINATION
91A TC651007SCHRAUBE
92 TC33895FILTERGEHAEUSE
93 TC33896LUFTFILTER
94 TC33897LUFTFILTERDECKEL
95 TC650762SCREW
96 TC650784SCREW
97 TC33051DICHTUNG
98 TC35028TANK
99 TC28763SCHRAUBE
100 TC36879TUBE & GAUGE
101 TC33590O-RING
102 TC34265O-Ring
103 Toro SCREWTC650562SCREW
104 TC34380EINFUELLROHR
105 TC650802SCHRAUBE
106 TC611046AFLYWHEEL
127 TC36412SICHERUNGSRING
128 TC35025USE 36412
129 TC34983SEILSCHEIBE
130 TC34984SICHERUNGSRING
138 TC35015BHALTER KPL,
139 TC34965FEDER
140 TC34966GELENK
141 TC32309SICHERUNGSRING
142 TC35831BREMSHEBEL
143 TC610973TERMINAL
144 TC650837SCHRAUBE
150 TC632795ACARBURETOR-S- 60750
151 TC590532STARTER
152 TC33906DDICHTUNGSATZ
Rasen
Bankeinzug, MasterCard, Visa, American Express, PayPal, Nachnahme, Vorauskasse, Sofortüberweisung
Datenschutzerklärung Impressum
Qualitätsmanagement
Informieren Sie uns, wenn Sie einen Fehler gefunden haben.