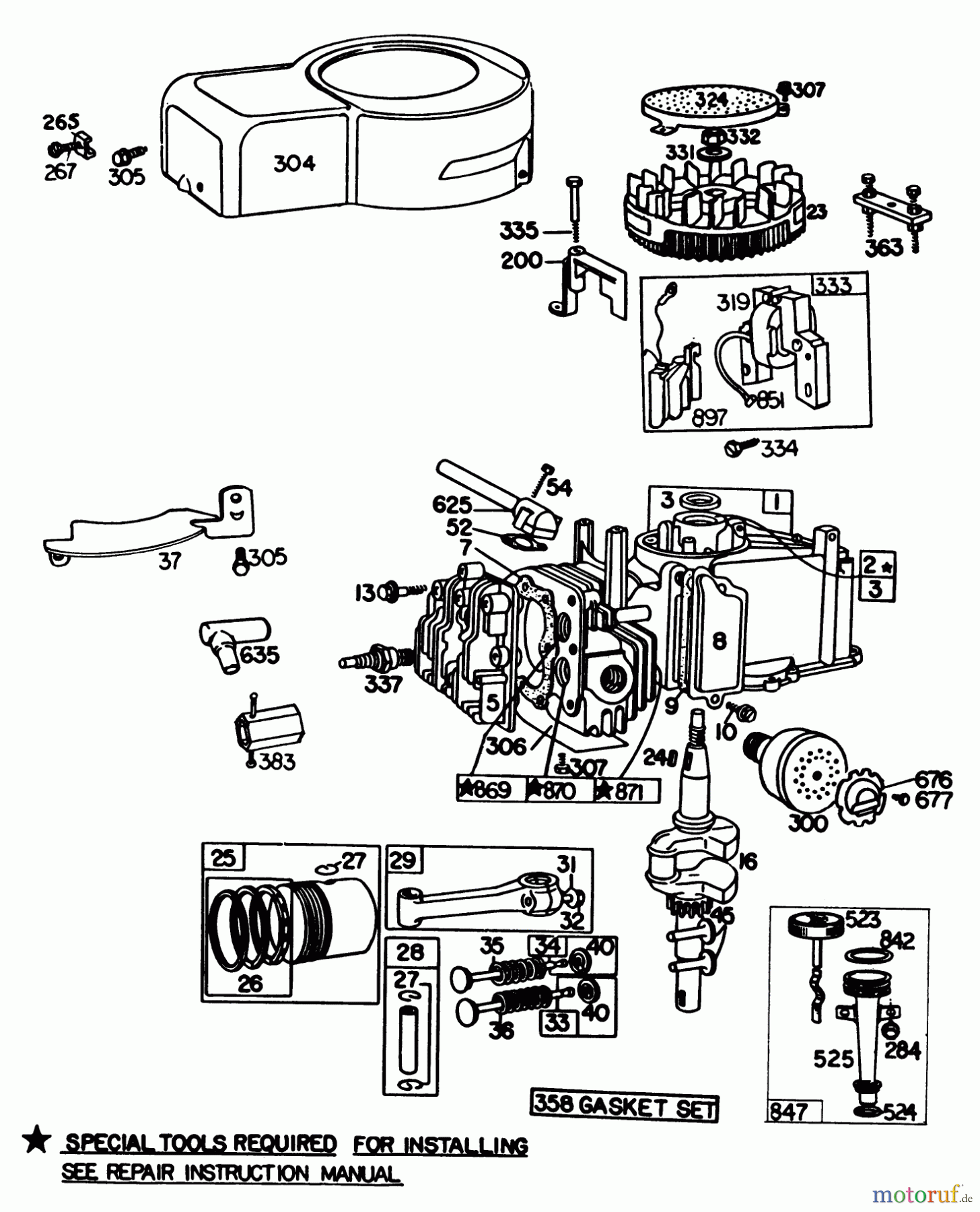
Toro 20560 - Lawnmower, 1983 (3000001-3999999) ENGINE BRIGGS & STRATTON MODEL NO. 92908-3196-01 #1 Ersatzteile
ENGINE BRIGGS & STRATTON MODEL NO. 92908-3196-01 #1 20560 - Toro Lawnmower, 1983 (3000001-3999999)

Hier finden Sie die Ersatzteilzeichnung für Toro Neu Mowers, Walk-Behind Seite 1 20560 - Toro Lawnmower, 1983 (3000001-3999999) ENGINE BRIGGS & STRATTON MODEL NO. 92908-3196-01 #1. Wählen Sie das benötigte Ersatzteil aus der Ersatzteilliste Ihres Toro Gerätes aus und bestellen Sie einfach online. Viele Toro Ersatzteile halten wir ständig in unserem Lager für Sie bereit.






