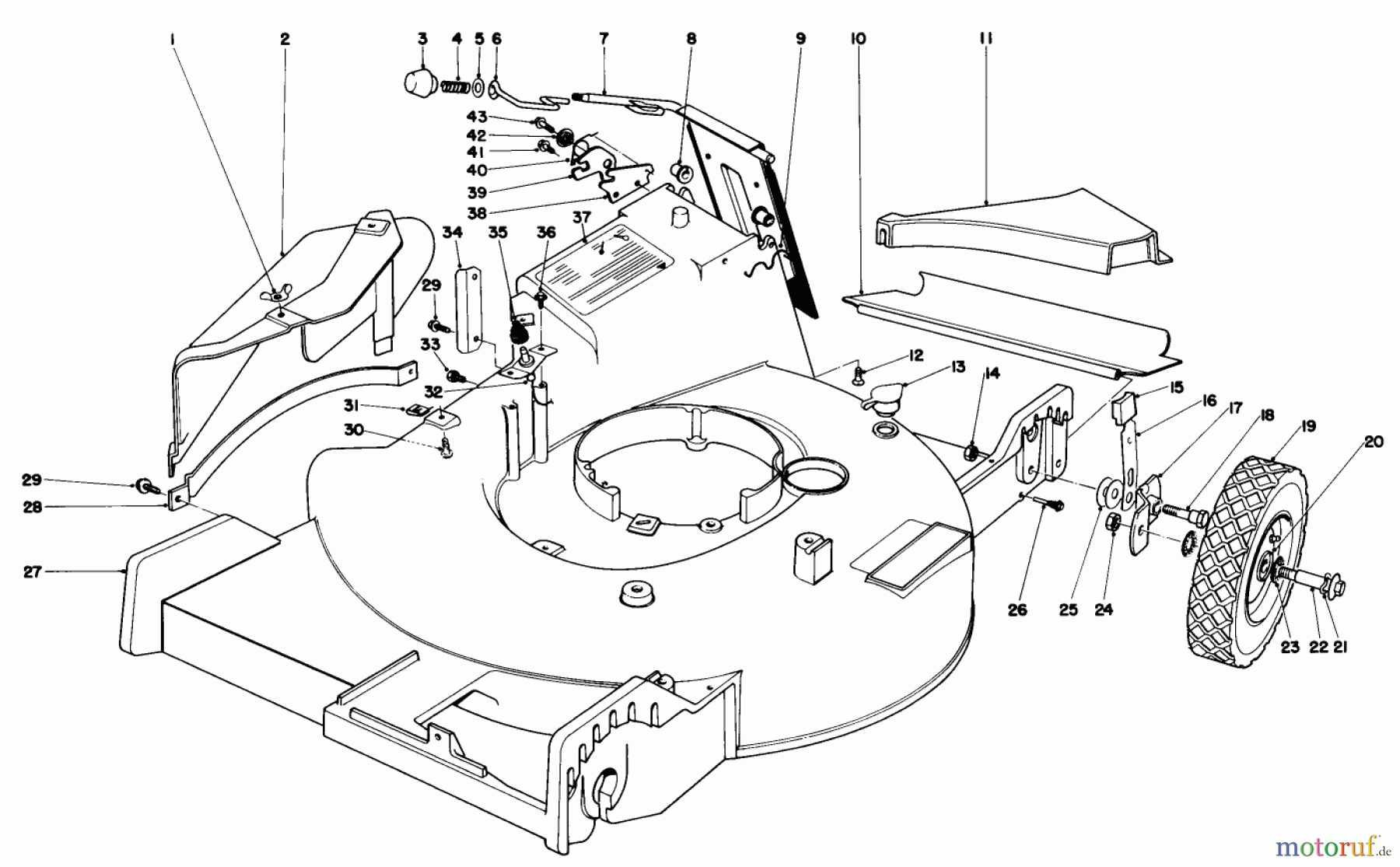
Toro 20506 - Lawnmower, 1976 (6000001-6999999) HOUSING ASSEMBLY (MODEL 20506 & 20696) Ersatzteile
HOUSING ASSEMBLY (MODEL 20506 & 20696) 20506 - Toro Lawnmower, 1976 (6000001-6999999)

Hier finden Sie die Ersatzteilzeichnung für Toro Neu Mowers, Walk-Behind Seite 1 20506 - Toro Lawnmower, 1976 (6000001-6999999) HOUSING ASSEMBLY (MODEL 20506 & 20696). Wählen Sie das benötigte Ersatzteil aus der Ersatzteilliste Ihres Toro Gerätes aus und bestellen Sie einfach online. Viele Toro Ersatzteile halten wir ständig in unserem Lager für Sie bereit.





