Einstellungen Computer

Toro 20506 - Lawnmower, 1976 (6000001-6999999) FRONT WHEEL AND PIVOT ARM ASSEMBLY (MODEL 20506 & 20696) Ersatzteile

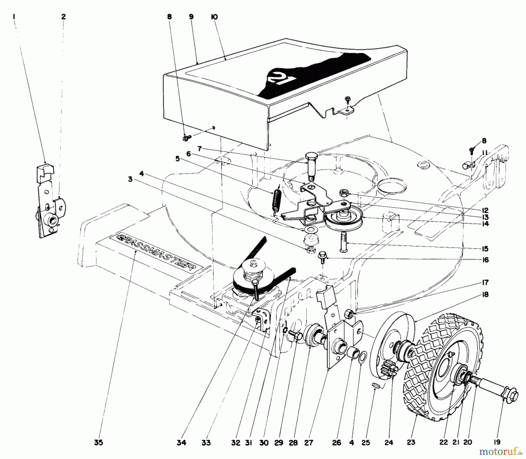
FRONT WHEEL AND PIVOT ARM ASSEMBLY (MODEL 20506 & 20696) 20506 - Toro Lawnmower, 1976 (6000001-6999999)

 Toro Neu Mowers, Walk-Behind Seite 1 20506 - Toro Lawnmower, 1976 (6000001-6999999) FRONT WHEEL AND PIVOT ARM ASSEMBLY (MODEL 20506 & 20696)

Hier finden Sie die Ersatzteilzeichnung für Toro Neu Mowers, Walk-Behind Seite 1 20506 - Toro Lawnmower, 1976 (6000001-6999999) FRONT WHEEL AND PIVOT ARM ASSEMBLY (MODEL 20506 & 20696). Wählen Sie das benötigte Ersatzteil aus der Ersatzteilliste Ihres Toro Gerätes aus und bestellen Sie einfach online. Viele Toro Ersatzteile halten wir ständig in unserem Lager für Sie bereit.

Rasen
Bankeinzug, MasterCard, Visa, American Express, PayPal, Nachnahme, Vorauskasse, Sofortüberweisung
Datenschutzerklärung Impressum
Qualitätsmanagement
Informieren Sie uns, wenn Sie einen Fehler gefunden haben.