Einstellungen Computer

Toro 20506 - Lawnmower, 1976 (6000001-6999999) ENGINE TECUMSEH MODEL NO. TNT 120-12003 Ersatzteile

ENGINE TECUMSEH MODEL NO. TNT 120-12003 20506 - Toro Lawnmower, 1976 (6000001-6999999)

 Toro Neu Mowers, Walk-Behind Seite 1 20506 - Toro Lawnmower, 1976 (6000001-6999999) ENGINE TECUMSEH MODEL NO. TNT 120-12003

Hier finden Sie die Ersatzteilzeichnung für Toro Neu Mowers, Walk-Behind Seite 1 20506 - Toro Lawnmower, 1976 (6000001-6999999) ENGINE TECUMSEH MODEL NO. TNT 120-12003. Wählen Sie das benötigte Ersatzteil aus der Ersatzteilliste Ihres Toro Gerätes aus und bestellen Sie einfach online. Viele Toro Ersatzteile halten wir ständig in unserem Lager für Sie bereit.

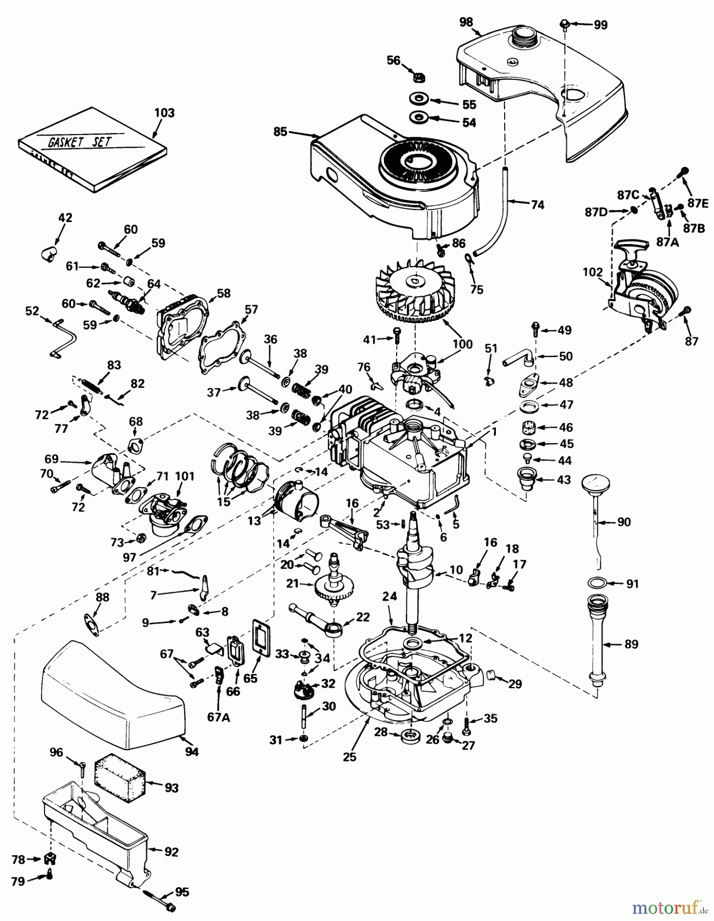
BildNrArtikel NummerBezeichnung
1 TC33899AZYLINDER
2 TC26727DOWEL PIN
4 TC32600SIMMERRING
5 TC30589REGLERSTANGE
6 TC28277WASHER
7 TC32651GOV LEVER
8 TC31335KLAMMER
9 TC651018Reglerschraube 8/32 x 19/64"
10 TC34085
12 TC32323SCHEIBE
13 TC33562BKOLBEN U, BOLZEN
13 TC33563BKOLBEN U, BOLZEN
13 TC33564BKOLBEN U, BOLZEN
14 TC20381RET RING
15 TC40004KOLBEN KPL,
15 TC33568KOLBENRINGSATZ
15 TC33569KOLBENRINGSATZ
16 TC32875APLEUL
17 TC32610ASCHRAUBE
18 TC32609
20 TC27241VALVE LIFTER
21 TC35992NOCKENWELLE
22 TC29914OIL PUMP
24 TC37609DICHTUNG
25 TC33901
26 TC28833GASKET
27 TC36083OELABLASSCHRAUBE
28 TC27897SIMMERRING
29 TC33885STOPFEN
30 TC30574AREGLERWELLE
31 TC30590AWASHER
32 TC31947
33 TC33903
34 TC29193SICHERUNGSRING
35 TC650488SCREW
36 TC29314CINT VALVE ST
37 TC29315CPILOT FUER EIN- AUSLASSVENTIL
37 TC29313CEXH VALVE STD
37 TC29315BUSE 29315C
38 TC31671VENTILTELLER
39 TC31672VENTILFEDER
40 TC31673VENTILTELLER
41 TC650489SCHRAUBE
42 TC610118KERZENSTECKER
43 TC34214B
44 TC33732USE 00034214
45 TC33733USE 34214
46 TC33734LUFTFILTER
47 TC33735DICHTUNG
48 TC33737USE 00034214
49 TC30200SCHRAUBE
50 TC33886ROHR
51 TC33887CLIP
52 TC33888
53 TC610961KEIL
54 TC650791SCHEIBE
55 TC650815WASHER
56 TC650607NUT
57 TC36443GASKET
58 TC37675CYL HEAD
59 TC26073SCHEIBE
60 Toro SCHRAUBETC6021ASCHRAUBE
61 TC650697ASCHRAUBE
62 TC33892SPACER
63 TC30593CLIP
64 TC33636ZUENDKERZE
65 TC27234AGASKET
66 TC32755VENTILDECKEL
67 TC650128SCHRAUBE
67A TC33932KURZSCHLUSSCHALTER
68 TC32649ADICHTUNG
69 TC33004AEINLASSROHR
70 TC650451SCREW
71 TC31688ADICHTUNG
72 TC6201SCHRAUBE
73 TC29752NUT
74 TC30705FUEL LINE
75 TC26460CLAMP
76 TC29443KLEMME
77 TC33086STELLHEBEL
78 TC33933KURZSCHLUSSCHALTER
79 TC29666
81 TC33133REGLERGELENK
82 TC33295GELENK
83 TC31361REGLERFEDER
85 TC33891BGEBLAESEGEHAEUSE
86 TC650911SCHRAUBE
87 TC650737SCREW
87A TC27793KLEMME
87B TC28942SCREW
87C TC34099
87D TC27070SCHEIBE
87E TC650738SCREW
88 TC30081ADICHTUNG
89 TC33893AEINFUELLROHR
90 TC36879TUBE & GAUGE
91 TC33590O-RING
92 TC33895FILTERGEHAEUSE
93 TC33896LUFTFILTER
94 TC33897LUFTFILTERDECKEL
95 TC650762SCREW
96 TC650784SCREW
97 TC33051DICHTUNG
98 TC33904BTANK
99 TC28763SCHRAUBE
100 TC610755
101 TC632795ACARBURETOR-S- 60750
102 TC590519
103 TC33906DDICHTUNGSATZ
Rasen
Bankeinzug, MasterCard, Visa, American Express, PayPal, Nachnahme, Vorauskasse, Sofortüberweisung
Datenschutzerklärung Impressum
Qualitätsmanagement
Informieren Sie uns, wenn Sie einen Fehler gefunden haben.