Toro 20466 - Super Recycler Lawnmower, 1995 (5900001-5999999) GEAR CASE ASSEBMLY Ersatzteile
GEAR CASE ASSEBMLY 20466 - Toro Super Recycler Lawnmower, 1995 (5900001-5999999)

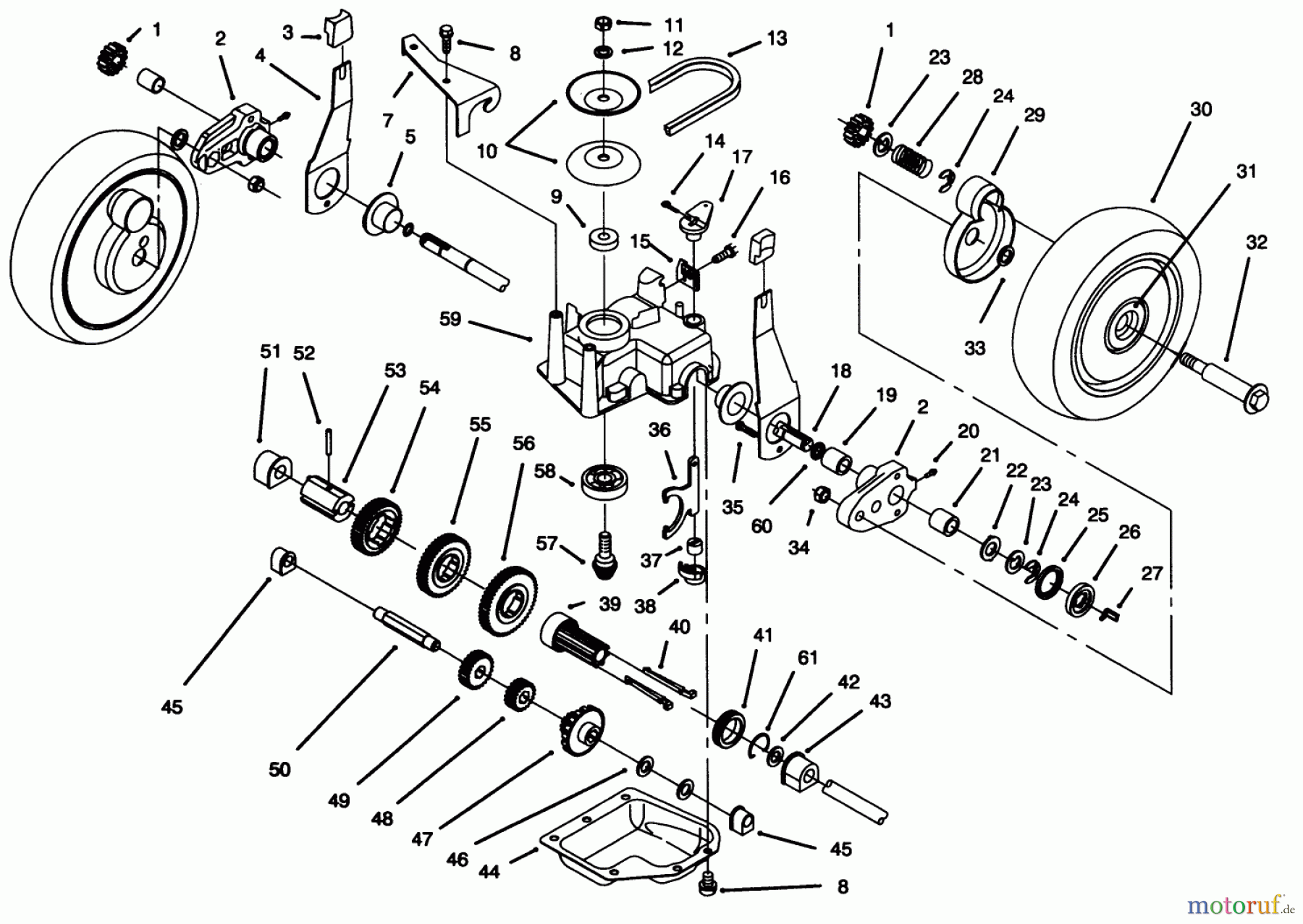
Hier finden Sie die Ersatzteilzeichnung für Toro Neu Mowers, Walk-Behind Seite 1 20466 - Toro Super Recycler Lawnmower, 1995 (5900001-5999999) GEAR CASE ASSEBMLY. Wählen Sie das benötigte Ersatzteil aus der Ersatzteilliste Ihres Toro Gerätes aus und bestellen Sie einfach online. Viele Toro Ersatzteile halten wir ständig in unserem Lager für Sie bereit.


Qualitätsmanagement
Informieren Sie uns, wenn Sie einen Fehler gefunden haben.





















