Toro 20107 - Lawnmower, 1991 (1000001-1999999) RECYCLER BAGGING KLT MODEL NO. 59174 Ersatzteile
RECYCLER BAGGING KLT MODEL NO. 59174 20107 - Toro Lawnmower, 1991 (1000001-1999999)

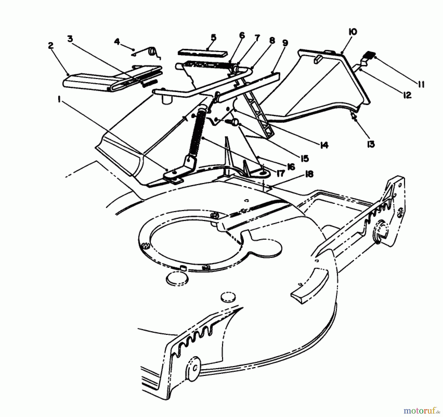
Hier finden Sie die Ersatzteilzeichnung für Toro Neu Mowers, Walk-Behind Seite 1 20107 - Toro Lawnmower, 1991 (1000001-1999999) RECYCLER BAGGING KLT MODEL NO. 59174. Wählen Sie das benötigte Ersatzteil aus der Ersatzteilliste Ihres Toro Gerätes aus und bestellen Sie einfach online. Viele Toro Ersatzteile halten wir ständig in unserem Lager für Sie bereit.



