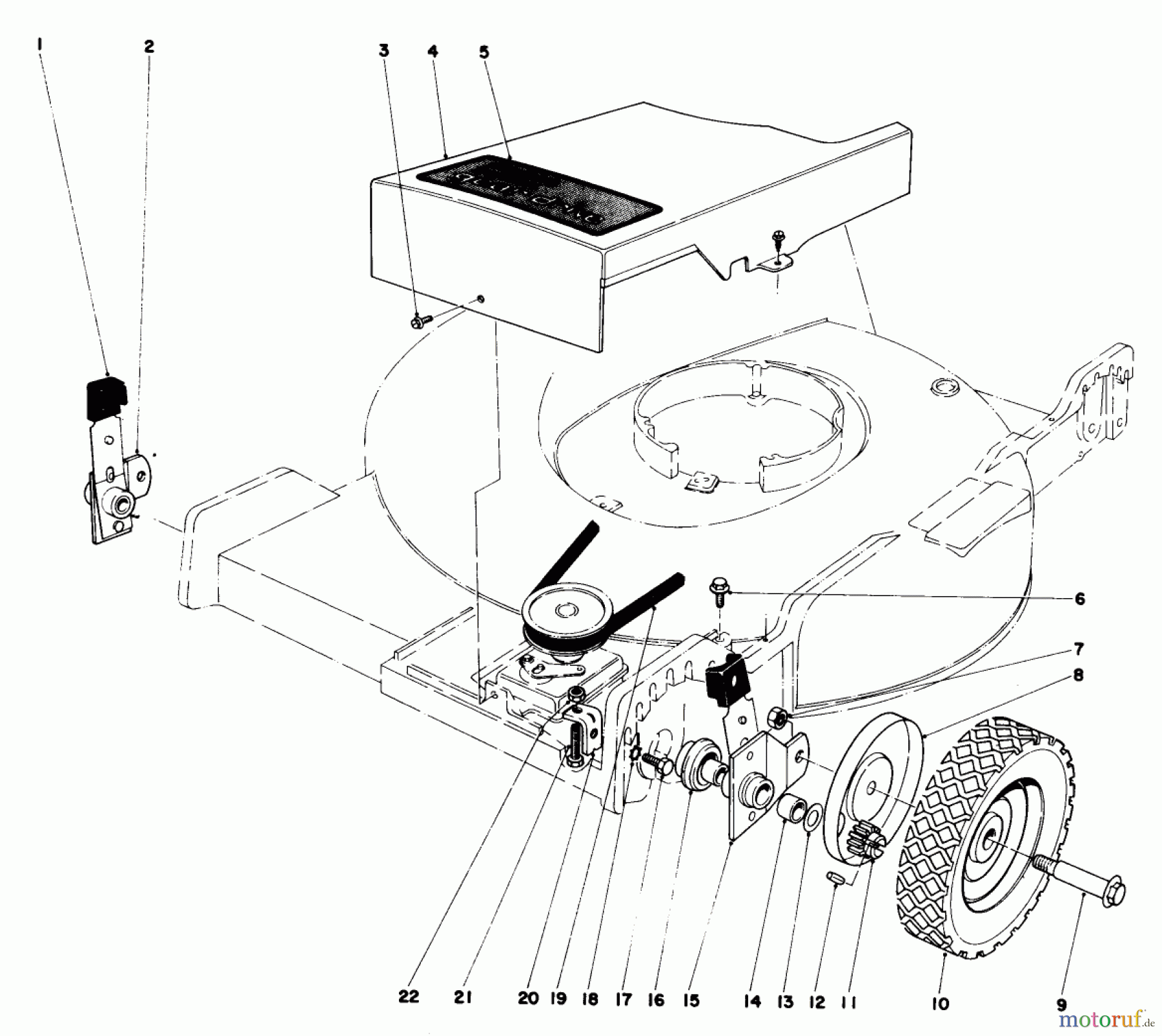
Toro 16756 - Lawnmower, 1977 (7000001-7999999) FRONT WHEEL AND PIVOT ARM ASSEMBLY Ersatzteile
FRONT WHEEL AND PIVOT ARM ASSEMBLY 16756 - Toro Lawnmower, 1977 (7000001-7999999)

Hier finden Sie die Ersatzteilzeichnung für Toro Neu Mowers, Walk-Behind Seite 1 16756 - Toro Lawnmower, 1977 (7000001-7999999) FRONT WHEEL AND PIVOT ARM ASSEMBLY. Wählen Sie das benötigte Ersatzteil aus der Ersatzteilliste Ihres Toro Gerätes aus und bestellen Sie einfach online. Viele Toro Ersatzteile halten wir ständig in unserem Lager für Sie bereit.


Qualitätsmanagement
Informieren Sie uns, wenn Sie einen Fehler gefunden haben.



