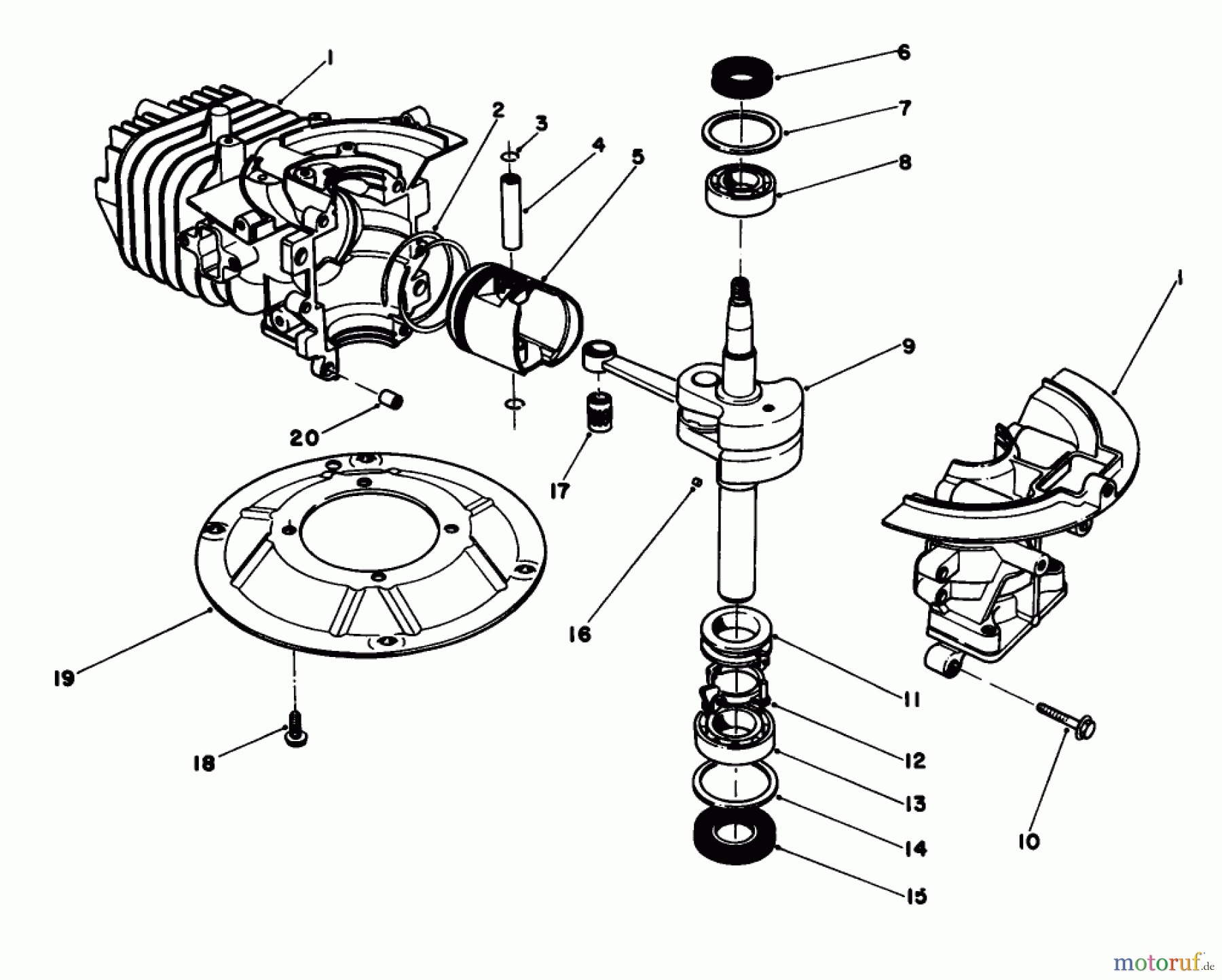
Toro 16585 - Lawnmower, 1987 (7000001-7999999) CRANKSHAFT ASSEMBLY (MODEL NO. 47PF5 & 47PG6) Ersatzteile
CRANKSHAFT ASSEMBLY (MODEL NO. 47PF5 & 47PG6) 16585 - Toro Lawnmower, 1987 (7000001-7999999)

Hier finden Sie die Ersatzteilzeichnung für Toro Neu Mowers, Walk-Behind Seite 1 16585 - Toro Lawnmower, 1987 (7000001-7999999) CRANKSHAFT ASSEMBLY (MODEL NO. 47PF5 & 47PG6). Wählen Sie das benötigte Ersatzteil aus der Ersatzteilliste Ihres Toro Gerätes aus und bestellen Sie einfach online. Viele Toro Ersatzteile halten wir ständig in unserem Lager für Sie bereit.



