Toro 16299C - Lawnmower, 1988 (8000001-8999999) CARBURETOR NO. 632050A Ersatzteile
CARBURETOR NO. 632050A 16299C - Toro Lawnmower, 1988 (8000001-8999999)

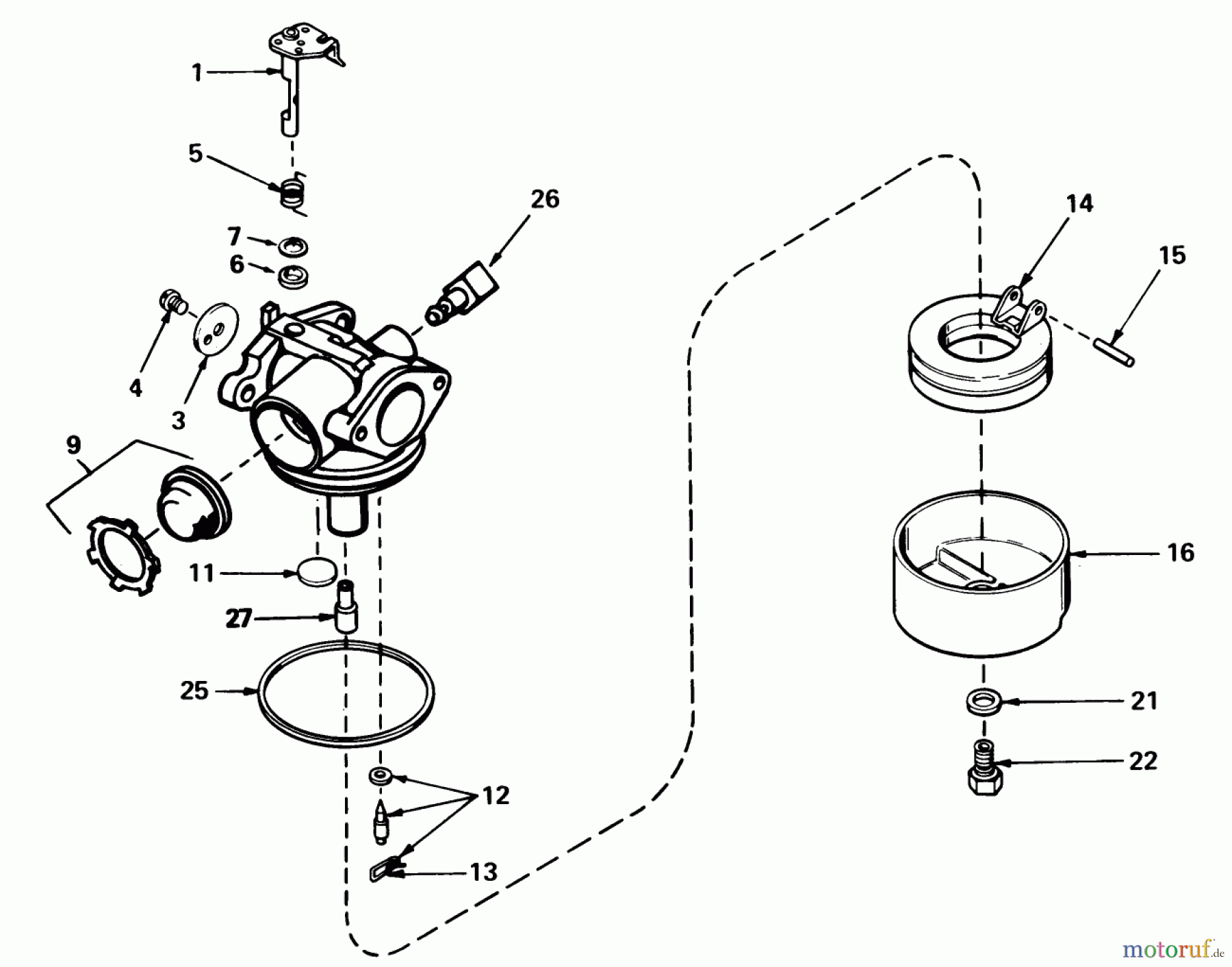
Hier finden Sie die Ersatzteilzeichnung für Toro Neu Mowers, Walk-Behind Seite 1 16299C - Toro Lawnmower, 1988 (8000001-8999999) CARBURETOR NO. 632050A. Wählen Sie das benötigte Ersatzteil aus der Ersatzteilliste Ihres Toro Gerätes aus und bestellen Sie einfach online. Viele Toro Ersatzteile halten wir ständig in unserem Lager für Sie bereit.
| BildNr | Artikel Nummer | Bezeichnung | |
| 1 | TC631615 | WELLE U, HEBEL | |
| 3 | TC631616 | SHUTTER | |
| 4 | TC650506 | SCHRAUBE | |
| 5 | TC631767 | FEDER | |
| 6 | TC631183 | SCHEIBE | |
| 7 | TC631184 | WASHER | |
| 9 | ![]() | TC632047A | PRIMER |
| 11 | TC631027 | WELCH PLUG | |
| 12 | TC631021B | INLET NEEDLE | |
| 13 | TC631022 | KLEMME | |
| 14 | TC632019A | FLOAT | |
| 15 | TC631024 | FLOAT SHAFT | |
| 16 | TC631700 | SCHWIMMERGEHAEUSE | |
| 21 | TC631334A | DICHTUNG | |
| 22 | TC631935A | NUT | |
| 25 | TC631028A | DICHTUNG | |
| 26 | TC631807 | FUEL FITTING | |
| 27 | TC632158 | DISTANZSTUECK | |


Qualitätsmanagement
Informieren Sie uns, wenn Sie einen Fehler gefunden haben.


