Toro 16297C - Lawnmower, 1985 (5000001-5999999) ENGINE TECUMSEH MODEL TNT-100-10077E Ersatzteile
ENGINE TECUMSEH MODEL TNT-100-10077E 16297C - Toro Lawnmower, 1985 (5000001-5999999)

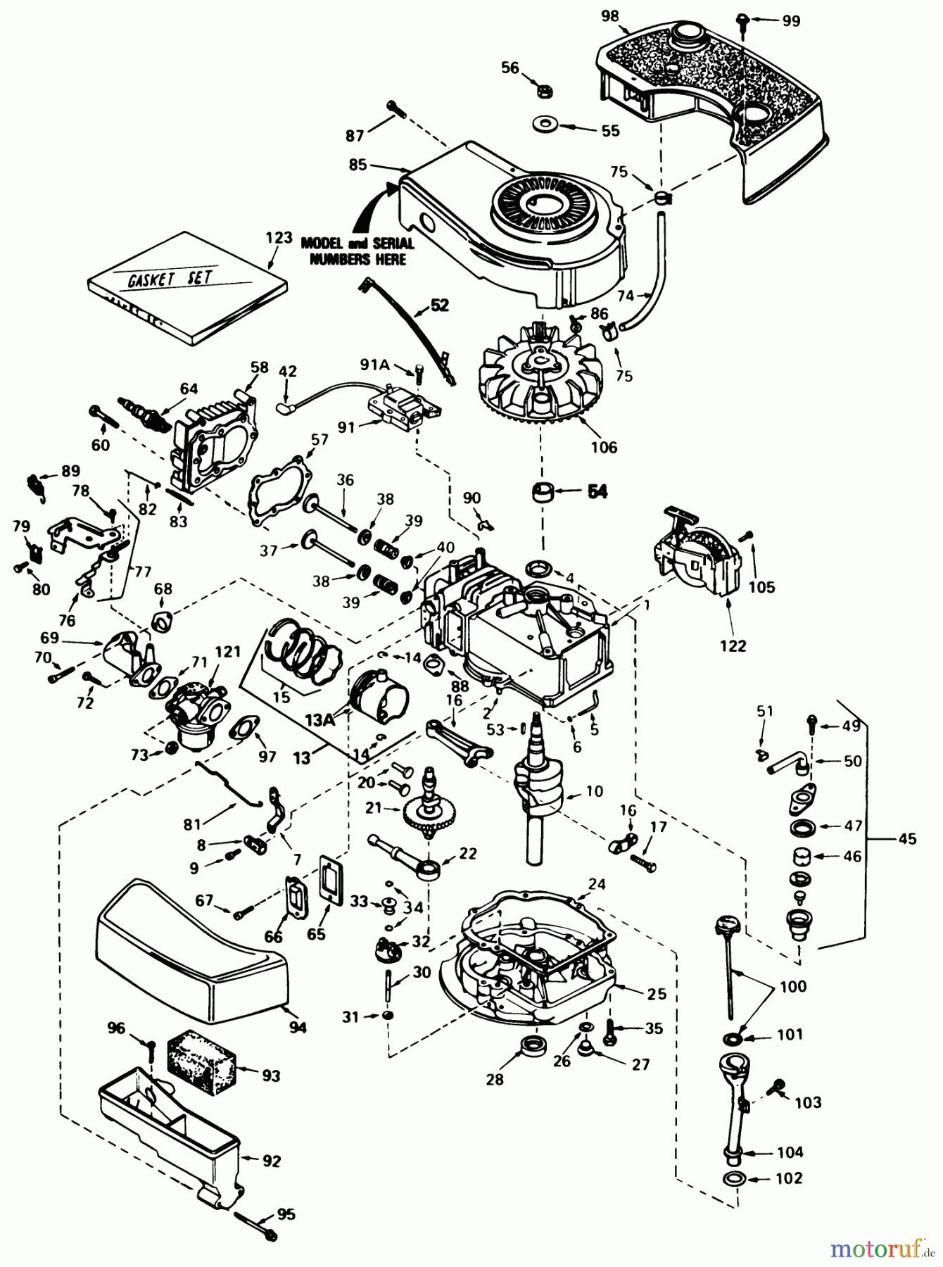
Hier finden Sie die Ersatzteilzeichnung für Toro Neu Mowers, Walk-Behind Seite 1 16297C - Toro Lawnmower, 1985 (5000001-5999999) ENGINE TECUMSEH MODEL TNT-100-10077E. Wählen Sie das benötigte Ersatzteil aus der Ersatzteilliste Ihres Toro Gerätes aus und bestellen Sie einfach online. Viele Toro Ersatzteile halten wir ständig in unserem Lager für Sie bereit.


Qualitätsmanagement
Informieren Sie uns, wenn Sie einen Fehler gefunden haben.





