Einstellungen Computer

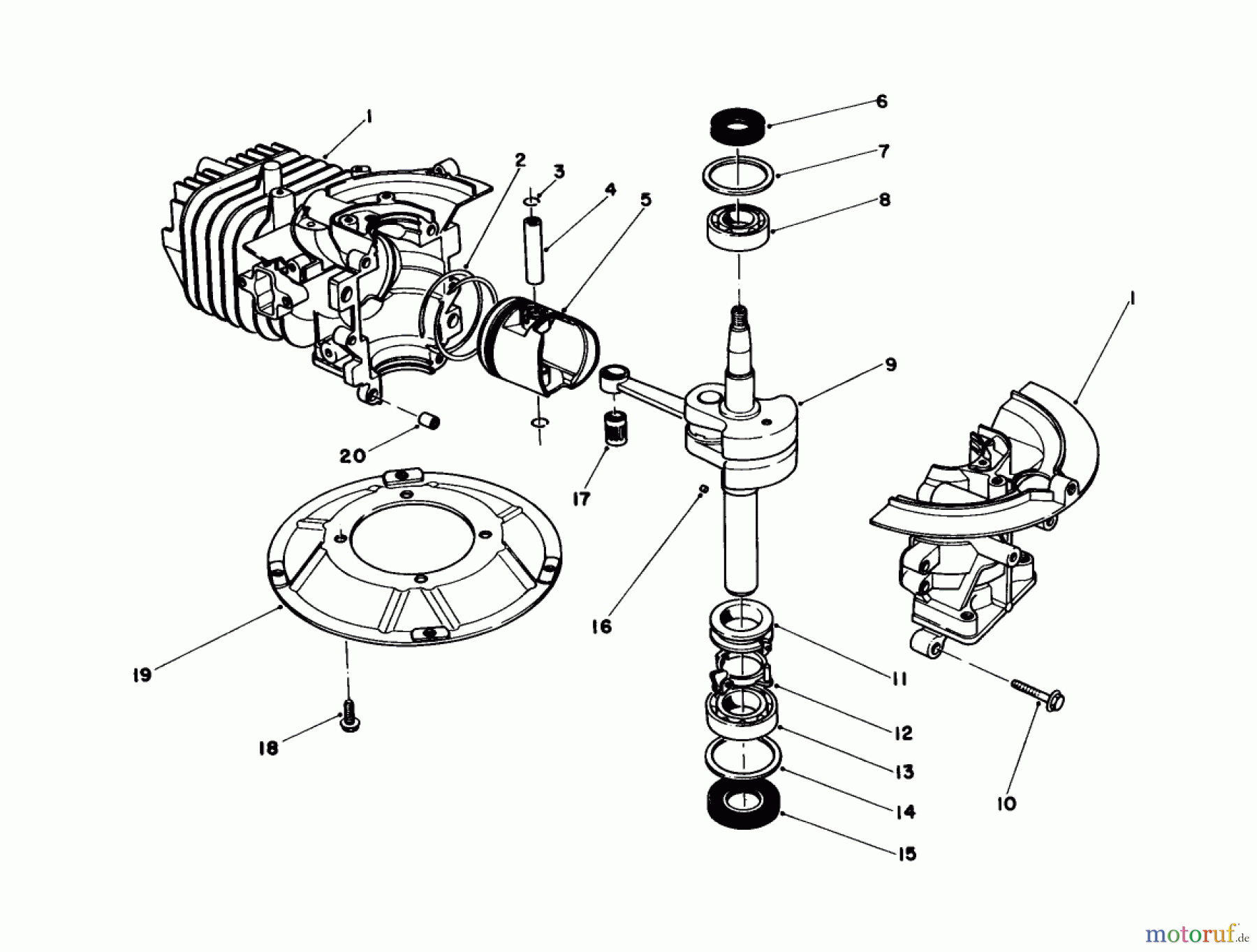
Toro 16202 - Lawnmower, 1984 (4000001-4999999) CRANKSHAFT ASSEMBLY Ersatzteile

CRANKSHAFT ASSEMBLY 16202 - Toro Lawnmower, 1984 (4000001-4999999)

 Toro Neu Mowers, Walk-Behind Seite 1 16202 - Toro Lawnmower, 1984 (4000001-4999999) CRANKSHAFT ASSEMBLY

Hier finden Sie die Ersatzteilzeichnung für Toro Neu Mowers, Walk-Behind Seite 1 16202 - Toro Lawnmower, 1984 (4000001-4999999) CRANKSHAFT ASSEMBLY. Wählen Sie das benötigte Ersatzteil aus der Ersatzteilliste Ihres Toro Gerätes aus und bestellen Sie einfach online. Viele Toro Ersatzteile halten wir ständig in unserem Lager für Sie bereit.

Rasen
Bankeinzug, MasterCard, Visa, American Express, PayPal, Nachnahme, Vorauskasse, Sofortüberweisung
Datenschutzerklärung Impressum
Qualitätsmanagement
Informieren Sie uns, wenn Sie einen Fehler gefunden haben.