Toro R1-18OE02 (518-H) - 518-H Garden Tractor, 1990 AUTOMATIC TRANSMISSION Ersatzteile
AUTOMATIC TRANSMISSION R1-18OE02 (518-H) - Toro 518-H Garden Tractor, 1990

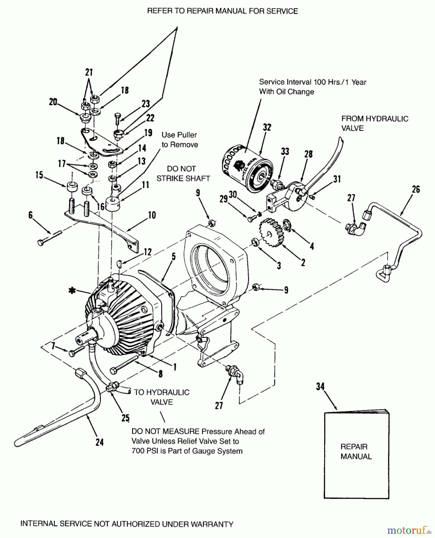
Hier finden Sie die Ersatzteilzeichnung für Toro Neu Mowers, Lawn & Garden Tractor Seite 2 R1-18OE02 (518-H) - Toro 518-H Garden Tractor, 1990 AUTOMATIC TRANSMISSION. Wählen Sie das benötigte Ersatzteil aus der Ersatzteilliste Ihres Toro Gerätes aus und bestellen Sie einfach online. Viele Toro Ersatzteile halten wir ständig in unserem Lager für Sie bereit.




