Toro 72104 (267-H) - 267-H Lawn and Garden Tractor, 1996 (6900001-6999999) AXLE SHAFT Ersatzteile
AXLE SHAFT 72104 (267-H) - Toro 267-H Lawn and Garden Tractor, 1996 (6900001-6999999)

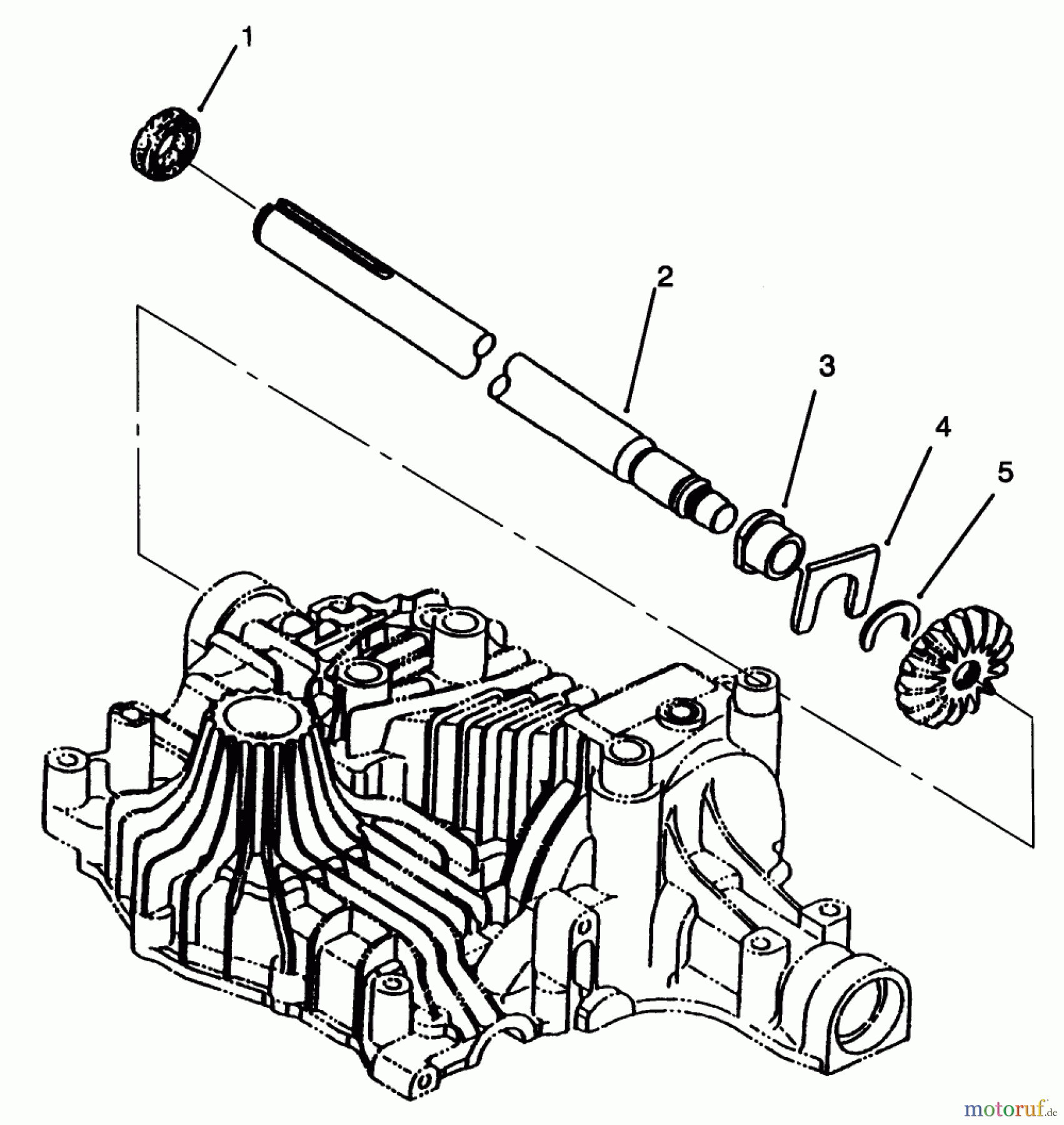
Hier finden Sie die Ersatzteilzeichnung für Toro Neu Mowers, Lawn & Garden Tractor Seite 1 72104 (267-H) - Toro 267-H Lawn and Garden Tractor, 1996 (6900001-6999999) AXLE SHAFT. Wählen Sie das benötigte Ersatzteil aus der Ersatzteilliste Ihres Toro Gerätes aus und bestellen Sie einfach online. Viele Toro Ersatzteile halten wir ständig in unserem Lager für Sie bereit.
| BildNr | Artikel Nummer | Bezeichnung | |
| 1 | TR93-0451 | SEAL | |
| 2 | TR99-3699 | SHAFT-AXLE RIGHT | |
| 3 | TR93-0454 | Buechse | |
| 4 | TR93-0455 | Lagerscheibe | |
| 5 | TR93-0456 | RING | |
| TR99-3698 | Steckachse Links | ||


Qualitätsmanagement
Informieren Sie uns, wenn Sie einen Fehler gefunden haben.

