Toro 72102 (269-H) - 269-H Lawn and Garden Tractor, 1996 (6900001-6999999) HYDRO CONTROL Ersatzteile
HYDRO CONTROL 72102 (269-H) - Toro 269-H Lawn and Garden Tractor, 1996 (6900001-6999999)

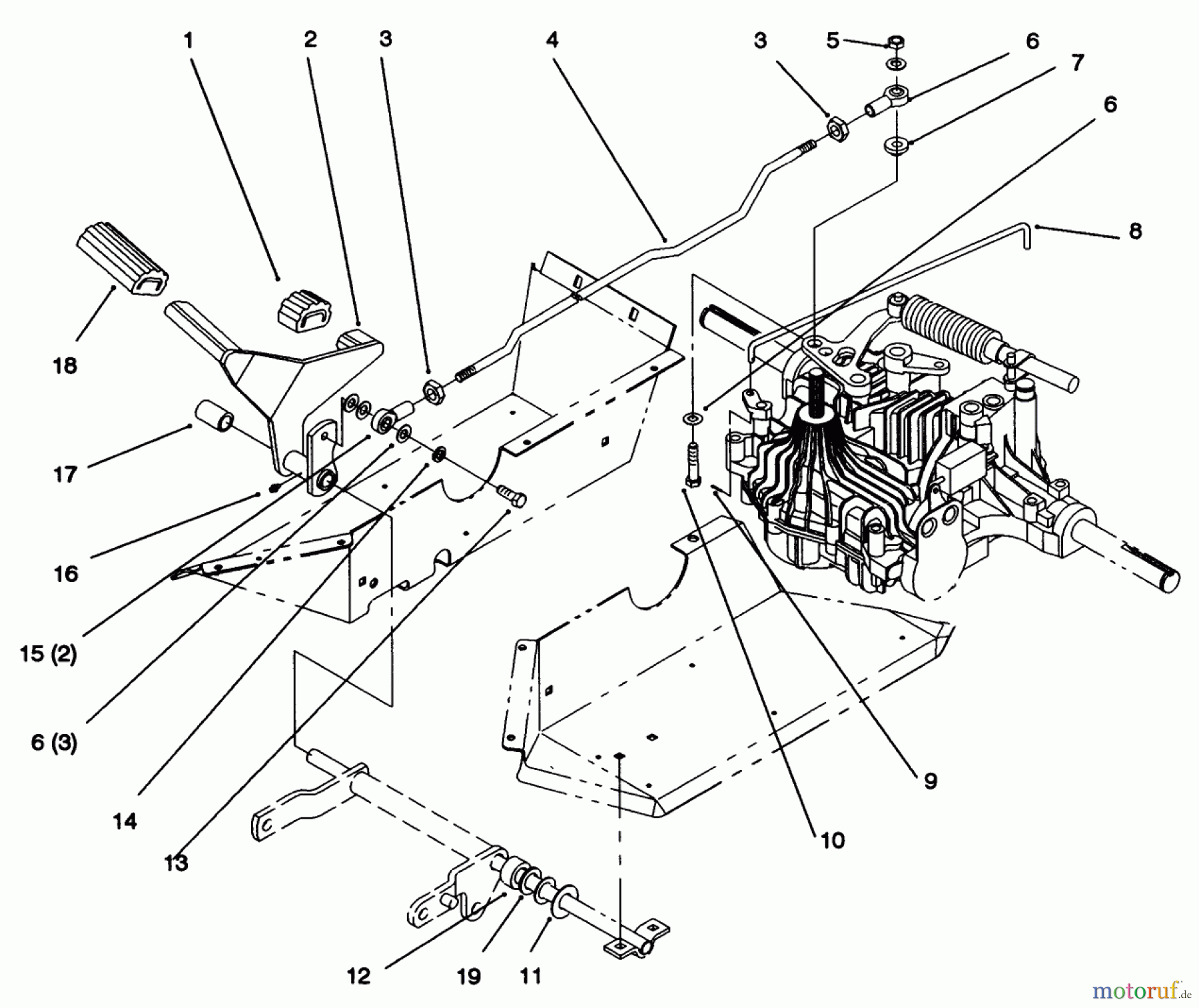
Hier finden Sie die Ersatzteilzeichnung für Toro Neu Mowers, Lawn & Garden Tractor Seite 1 72102 (269-H) - Toro 269-H Lawn and Garden Tractor, 1996 (6900001-6999999) HYDRO CONTROL. Wählen Sie das benötigte Ersatzteil aus der Ersatzteilliste Ihres Toro Gerätes aus und bestellen Sie einfach online. Viele Toro Ersatzteile halten wir ständig in unserem Lager für Sie bereit.
| BildNr | Artikel Nummer | Bezeichnung | |
| 1 | TR92-6903 | Pedalgummi | |
| 2 | TR92-6913-04 | ||
| 3 | TR3220-3 | Mutter | |
| 4 | TR92-7018 | ROD - HYDRO | |
| 5 | TR32-9639 | ||
| 6 | ![]() | TR3256-24 | WASHER-FLAT |
| 7 | TR92-6962 | Buechse | |
| 8 | TR92-6970 | Gestange | |
| 9 | TR3272-2 | Splint | |
| 10 | TR323-10 | Schraube | |
| 11 | TR94-6875 | Scheibe | |
| 12 | TR94-4945 | Scheibe | |
| 13 | TR323-7 | Schraube | |
| 14 | TR3253-5 | Federring | |
| 15 | TR92-7008 | Kugelkopf | |
| 16 | TR302-26 | Fettnippel | |
| 17 | TR92-6966 | Distanzbuechse | |
| 18 | TR92-6902 | Pedalgummi | |
| 19 | TR9202154 | Scheibe | |


Qualitätsmanagement
Informieren Sie uns, wenn Sie einen Fehler gefunden haben.


