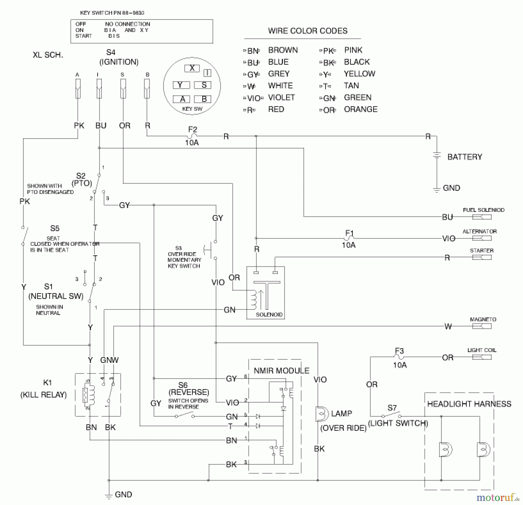
Toro 71212 (17-44HXL) - 17-44HXL Lawn Tractor, 2000 (200000001-200999999) ELECTRICAL SCHEMATIC Ersatzteile
ELECTRICAL SCHEMATIC 71212 (17-44HXL) - Toro 17-44HXL Lawn Tractor, 2000 (200000001-200999999)

Hier finden Sie die Ersatzteilzeichnung für Toro Neu Mowers, Lawn & Garden Tractor Seite 1 71212 (17-44HXL) - Toro 17-44HXL Lawn Tractor, 2000 (200000001-200999999) ELECTRICAL SCHEMATIC. Wählen Sie das benötigte Ersatzteil aus der Ersatzteilliste Ihres Toro Gerätes aus und bestellen Sie einfach online. Viele Toro Ersatzteile halten wir ständig in unserem Lager für Sie bereit.
| BildNr | Artikel Nummer | Bezeichnung | |
| TR218-578 | FUSE-BLADE, 10 AMP | ||



