Toro 71209 (13-32XLE) - 13-32XLE Lawn Tractor, 2001 (210000001-210999999) ENGINE BRIGGS & STRATTON MODEL 28M707-1122-E1 #1 Ersatzteile
ENGINE BRIGGS & STRATTON MODEL 28M707-1122-E1 #1 71209 (13-32XLE) - Toro 13-32XLE Lawn Tractor, 2001 (210000001-210999999)

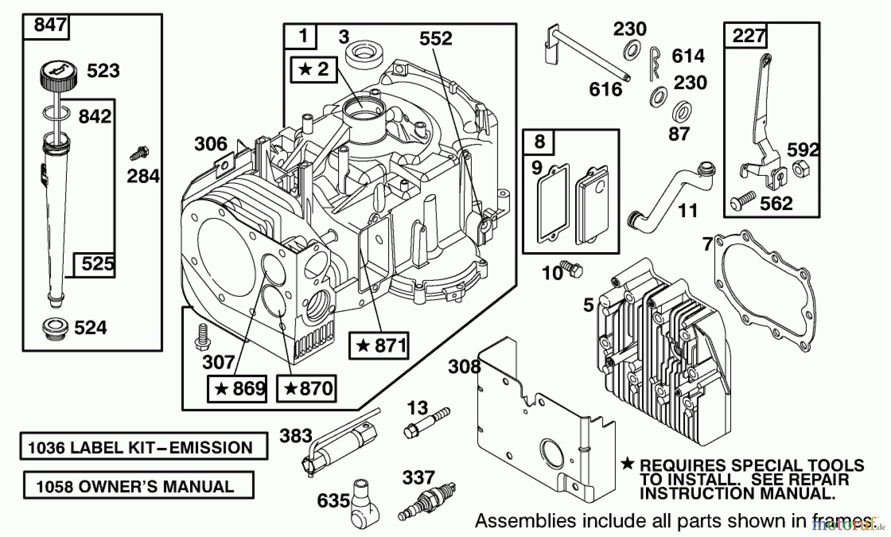
Hier finden Sie die Ersatzteilzeichnung für Toro Neu Mowers, Lawn & Garden Tractor Seite 1 71209 (13-32XLE) - Toro 13-32XLE Lawn Tractor, 2001 (210000001-210999999) ENGINE BRIGGS & STRATTON MODEL 28M707-1122-E1 #1. Wählen Sie das benötigte Ersatzteil aus der Ersatzteilliste Ihres Toro Gerätes aus und bestellen Sie einfach online. Viele Toro Ersatzteile halten wir ständig in unserem Lager für Sie bereit.








