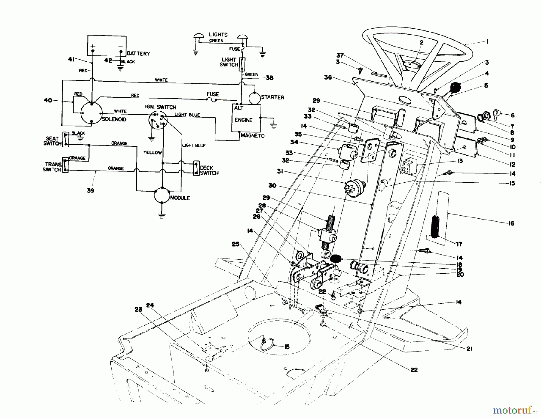
Toro 57385 - 11 hp Front Engine Rider, 1981 (1000001-1999999) STEERING WHEEL & DASH ASSEMBLY Ersatzteile
STEERING WHEEL & DASH ASSEMBLY 57385 - Toro 11 hp Front Engine Rider, 1981 (1000001-1999999)

Hier finden Sie die Ersatzteilzeichnung für Toro Neu Mowers, Lawn & Garden Tractor Seite 1 57385 - Toro 11 hp Front Engine Rider, 1981 (1000001-1999999) STEERING WHEEL & DASH ASSEMBLY. Wählen Sie das benötigte Ersatzteil aus der Ersatzteilliste Ihres Toro Gerätes aus und bestellen Sie einfach online. Viele Toro Ersatzteile halten wir ständig in unserem Lager für Sie bereit.


Qualitätsmanagement
Informieren Sie uns, wenn Sie einen Fehler gefunden haben.


