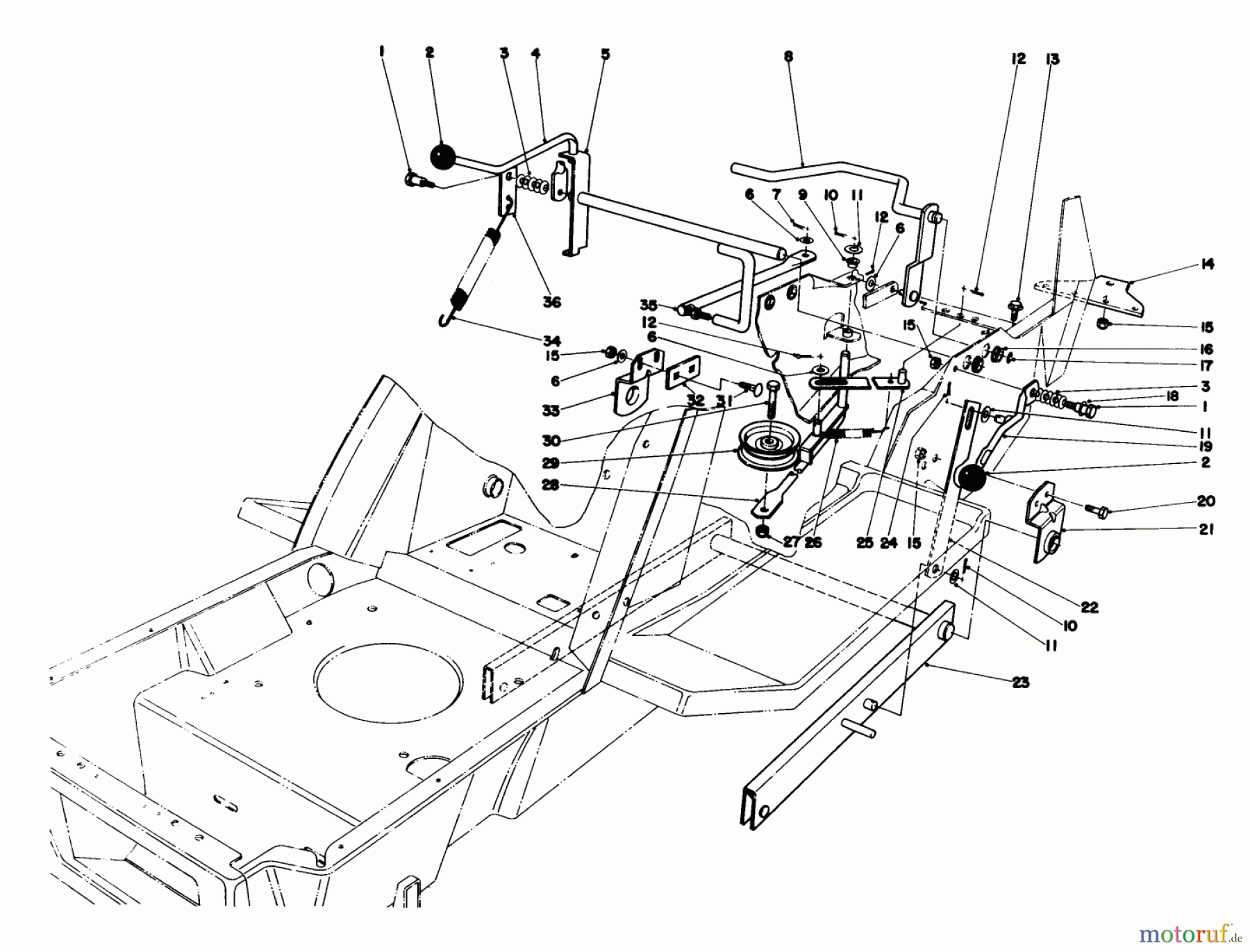
Toro 57360 (11-32) - 11-32 Lawn Tractor, 1986 (6000001-6999999) SHIFT & CLUTCH ASSEMBLY Ersatzteile
SHIFT & CLUTCH ASSEMBLY 57360 (11-32) - Toro 11-32 Lawn Tractor, 1986 (6000001-6999999)

Hier finden Sie die Ersatzteilzeichnung für Toro Neu Mowers, Lawn & Garden Tractor Seite 1 57360 (11-32) - Toro 11-32 Lawn Tractor, 1986 (6000001-6999999) SHIFT & CLUTCH ASSEMBLY. Wählen Sie das benötigte Ersatzteil aus der Ersatzteilliste Ihres Toro Gerätes aus und bestellen Sie einfach online. Viele Toro Ersatzteile halten wir ständig in unserem Lager für Sie bereit.




