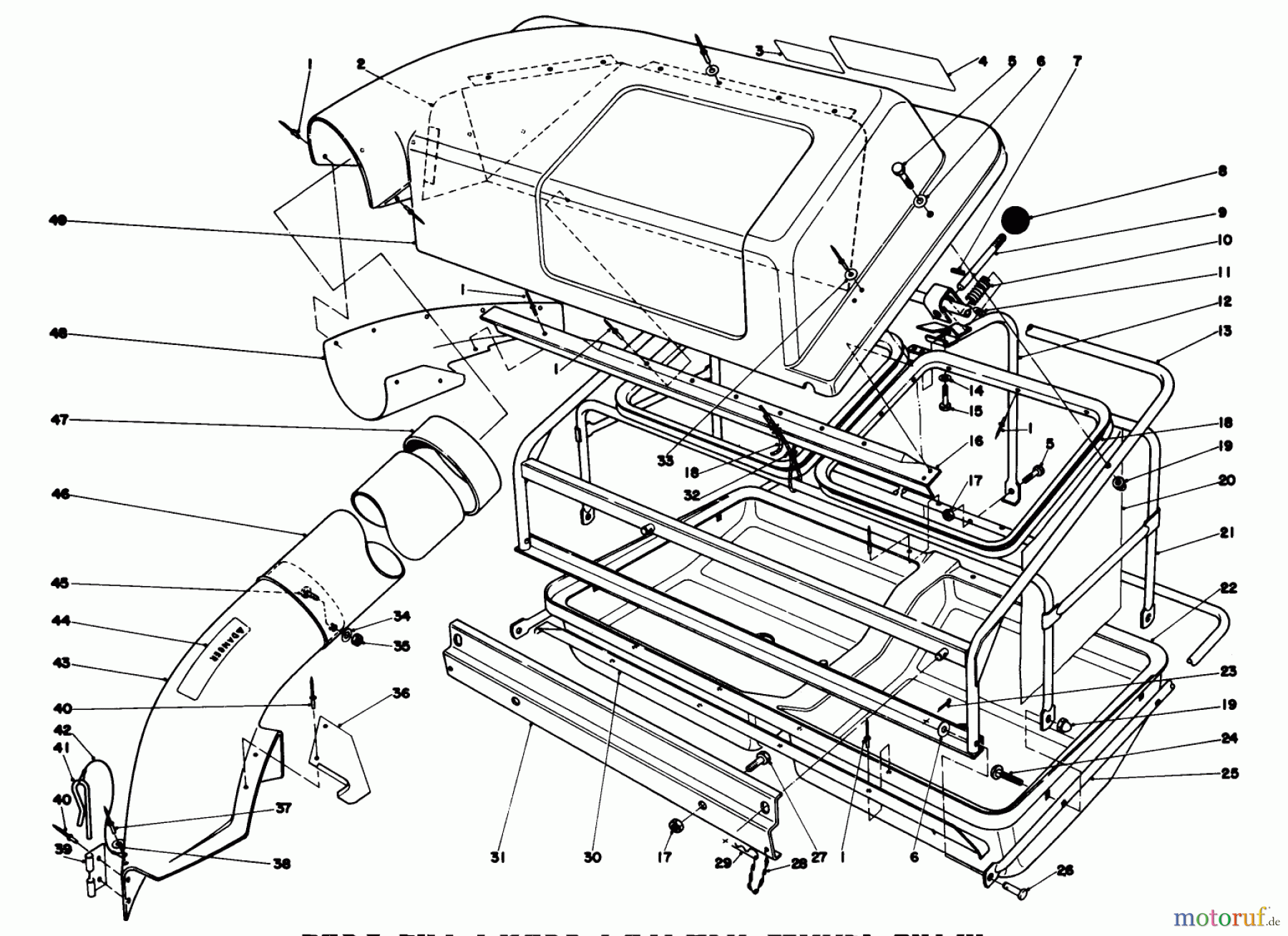
Toro 57360 (11-32) - 11-32 Lawn Tractor, 1981 (1000001-1999999) EASY FILL GRASS CATCHER MODEL 59120 #1 Ersatzteile
EASY FILL GRASS CATCHER MODEL 59120 #1 57360 (11-32) - Toro 11-32 Lawn Tractor, 1981 (1000001-1999999)

Hier finden Sie die Ersatzteilzeichnung für Toro Neu Mowers, Lawn & Garden Tractor Seite 1 57360 (11-32) - Toro 11-32 Lawn Tractor, 1981 (1000001-1999999) EASY FILL GRASS CATCHER MODEL 59120 #1. Wählen Sie das benötigte Ersatzteil aus der Ersatzteilliste Ihres Toro Gerätes aus und bestellen Sie einfach online. Viele Toro Ersatzteile halten wir ständig in unserem Lager für Sie bereit.






